永磁同步电机控制算法--基于PI和前馈的位置伺服控制
一、原理介绍
永磁同步伺服系统是包含了电流环、速度环和位置环的三环控制系统。

伺服系统通过电流检测电路和光电编码器检测电动机三相绕组电流和转子位置θ,通过坐标变换,计算出转矩电流分量iq和励磁电流分量id。
位置信号指令与实际转子位置信号的差值∆θ作为位置控制器输入,产生速度信号指令ω*;速度信号指令与实际速度信号的差值∆ω作为速度控制器的输入,产生转矩电流指令iq*;转矩电流指令iq*、励磁电流指令iq* 和实际电流信号经过电流预测控制算法得到相应的电压指令信号;dq轴的电压指令通过反Park变换及SVPWM调制产生控制逆变器的脉宽调制信号,从而驱动永磁同步电机。
由于单P调节器会导致跟踪变化信号时存在静差,在这里,位置环控制器采用前馈复合控制器,改善采用单比例控制时的伺服系统位置动静态响应性能。采用前馈复合控制的位置环结构控制框图如下所示。

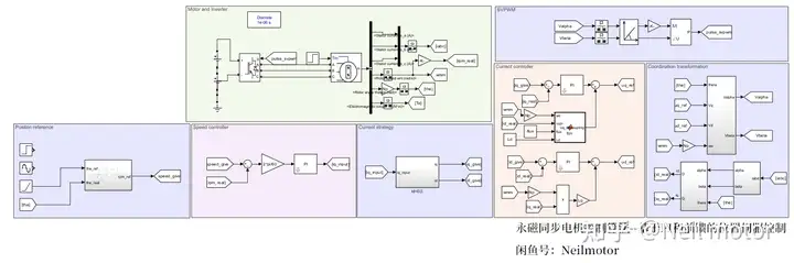
二、仿真模型
在MATLAB/simulink里面验证所提算法,搭建仿真。采用和实验中一致的控制周期1e-4,电机部分计算周期为1e-6。仿真模型如下所示:

仿真工况:电机跟踪不同转子位置给定信号,0.8s施加阶跃负载
P调节器
2.1转角阶跃信号
给定转角与实际转角

转角误差

2.2转角斜坡信号
给定转角与实际转角

转角误差

2.3转角正弦信号
给定转角与实际转角

转角误差

从波形中可以看出,单P调节器在跟踪斜坡信号时存在位置静差。
P带前馈复合调节器
2.4转角斜坡信号
给定转角与实际转角

转角误差

2.5转角正弦信号
给定转角与实际转角

转角误差

2.6转角阶跃信号
给定转角与实际转角

转角误差

综合以上三种位置给定信号可以看出,在跟踪阶跃信号时,保持无超调;跟踪斜坡信号时,可以快速消除静差,实现零误差跟踪;在跟踪正弦信号时,误差也得到明显减小。综上,可以证明前馈复合控制可以有效改善采用单比例控制时的伺服系统位置动静态响应性能
在仿真中,我并未按照参考文献所说的参数整定方案取位置环参数,转速环电流环还是按照我以往的整定方式取值。
