NU1680低成本、无固件、高集成度无线充电电源接收器
无线充电
电子产品具有无线充电功能使用会更便利,介绍一款低成本、无固件、高集成度无线充电电源接收器NU1680
原理图和BOM可点绑定资源下载,LC部分电容建议X7R。

Load空载切满载测试 (CC Mode)
– 尽量保证电子负载没有过冲
– 电子负载不要从0到满载,可设为0.05A到满载
– 电子负载串联一颗3ohm的功率电阻
– OCP的阈值点适当设低(MTP_ILIM_SET )
– 电子负载改成CR Mode
噪音问题
– 如果PCBA有可闻噪音,可尝试将comm电容由47nF改为22nF
– 如果PCBA有可闻噪音,可尝试将Vrect电容由10uF改为2.2uF
FOD
– ACR = Coil_ac_impedence + CAP_esr + MOSFET_Rdson*2 + Trace_R
– Offset: using default when using default dummy load. Dummy 变大,offset 也要调整增大。
– 过认证时,可以适当增大Power LDO的VDS。Set VDS>=0.3V. (default is 0.2V)
– 过认证时的负载最好小于Load <=0.7A
兼容性
– 增加dummy load(MTP_DUMMY )
– 增大COMM电容至100nF
– 调整Rx与Tx之间的耦合程度
1简介
支持QI协议的无线充电接收端芯片
可编程的3.5-9V输出电压
5W BPP 无线功率接收 Rx
极简的电路设计解决方案:1 个线圈+1 片 NU1680 + 12 颗外围器件
无固件烧入,可节省研发和生产时间和资源
去除了同步整流桥上的自举电容,使成本更低
具备 I2C 功能,可通过它配置 FOD 等寄存器参数
小尺寸,16 脚 QFN 封装,3.0mm x 3.0mm,脚间距 0.5mm
2 应用
最大接收功率 5W,符合 WPC 5W BPP 规范
无线充电场合:TWS, 电动牙刷,电动剃须刀,电子烟和其他消费类产品
3 <=5W 的典型Rx 设计
典型应用的原理图和电子物料清单如下

NU1680原理图
对于Vout输出高压的应用,比如9V,R1 (SINK电阻)需减小至110ohm

图 2. 5W/3.5W/<=3W 典型应用下的NU1680电子物料清单BOM
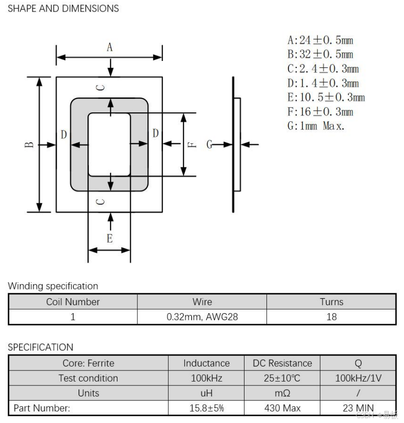
NU1680无线充电电源接收线圈

系统参数设计-5W/1A
谐振电容C2=180nF,Cd=2.2nF,Comm=47nF
谐振电感:15.8uH

系统参数设计-5W/1A
谐振电容C2=220nF,Cd=2.2nF,Comm=47nF
谐振电感:10uH

系统参数设计-3.5W/0.7A
谐振电容C2=220nF,Cd=2.2nF,Comm=47nF
谐振电感:12.4uH

系统参数设计-2.5W/0.5A
谐振电容C2=233nF,Cd=2.2nF,Comm=47nF
谐振电感:11.4uH

引脚定义

引脚描述
| 引脚名称 | 引脚编号 | I/O (输入输出) | 描述 |
|---|---|---|---|
| GND | 1、4、17 | 接地 | 系统电源和模拟接地。 |
| COMM1/COMM2 | 2/3 | O | 用于与发射器通信的开漏输出。在此引脚和 AC1/AC2 之间连接电容器。 |
| AC1/AC2 | 5/16 | I | 交流输入电源。连接到 L 和 C 的谐振电路回路。 |
| VRECT | 6、15 | O | 同步整流器的输出。在此引脚和地之间连接电容器。 |
| SINK | 7 | O | 开漏输出,用于控制整流器箝位。在此引脚和 VRECT 引脚之间连接一个电阻器。 |
| OS1 | 8 | I/O (输入输出) | 如果配置为 FOD_RES_MODE,则此 PIN 将用作负载 #0 处 FOD 偏移量参数的输入。如果不使用,请接地。 |
| SDA/OS2 | 9 | I/O (输入输出) | I2C 数据引脚。如果配置为 FOD_RES_MODE,则此 PIN 将用作负载 #1 和 #2 处 FOD 偏移参数的输入。如果没有用,就悬空。 |
| SCL/ACR | 10 | I | I2C 时钟引脚。如果配置为 FOD_RES_MODE,则此 PIN 将用作 FOD 参数的 ACR 的输入。如果没有用,就悬空。 |
| EN_B | 11 | I | 用于功率 LDO 输出禁用的逻辑高输入。有内部下拉,如果不使用,请保持浮动。 |
| TEMP/VBAT | 12 | I | 温度感应引脚。将 R25 = 100K、beta = 4250 NTC 电阻器接地。或者它可以配置为电池电压感应引脚,使 Vout 能够跟踪外部电池电压。如果没有用,就让它漂浮起来。 |
| V5V | 13 | O | 5V 电源供 IC 内部使用。在此引脚和接地之间连接一个典型的 1uF/10V 电容器。 |
| VOUT 端口 | 14 | O | 用于负载的输出引脚。 |
9 应用描述
9.1 系统概述
在无线电力传输系统中,发射器系统通过将交流电流馈入传输线圈来产生磁场。磁场耦合到接收侧线圈,通过匹配发射器侧阻抗,耦合能量进一步最大化。谐振电路的输出连接到 IC 的 AC1 和 AC2 引脚,它们是片上同步整流器的输入。整流器输出是连接到 IC 的 VRECT 引脚的未稳压电压。为了向下游电路提供稳压良好的电压源或电流源,在 VRECT 引脚和 OUT 引脚之间连接了一个超低压差 LDO。
发射器侧 (Tx) 和接收器侧 (Rx) 之间的通信需要提供从接收器到发射器的功率需求反馈。NU1680 配备了符合 WPC 标准的调幅通信。Rx 到 Tx 通信是通过打开 COMM1 和 COMM2 内部开关并向 Rx 谐振电路插入额外的电容来实现的。Rx 阻抗的这种调制可以在 Tx 侧检测到,作为其线圈电压和电流波形的幅度调制。
保护是无线电源接收器的关键要求,尤其是 VRECT 引脚上的过压保护。Tx 和 Rx 之间的耦合系数,即 Tx 和 Rx 之间的耦合能量,可能会突然发生重大变化,因为最终用户会在不通知的情况下改变 Rx 和 Tx 线圈之间的接近度。当耦合能量迅速增加时,VRECT 电压会上升,并可能超过其最大额定电压,从而导致 IC 损坏。NU1680 包含全面的两级过压保护,可针对任何瞬态条件。
9.2 电源
当接收线圈置于发射器模拟 ping 产生的磁场中时,最初通过整流器 MOSFET 的体二极管在 VRECT 引脚上建立直流电压。
V5V 通过内部启动电路跟随 VRECT 电压。当 V5V 高于 UVLO 时,提供 IC 内部偏置电压的 5V LDO 上电以打开内部电路块,例如数字控制单元、保护电路和整流器开关。此外,从 Rx 到 Tx 的通信用于指示 Tx 提供电源。应在 VRECT 引脚上放置两个典型值为 4.7uF 至 10uF 的电容器,以向 IC 提供直流电压。
当接收线圈从磁场中移除或发射器关闭时,VRECT 引脚的电压由连接到 OUT 引脚的负载和 IC 工作电流放电。如果 V5V 电压降至 UVLO 以下,IC 将进入关断模式。
9.3 同步整流器
NU1680 具有集成的同步整流器,可确保高效的 AC-DC 转换,尤其是对于重输出负载。它内置了可靠且高效的开关控制算法,可最大限度地减少死区时间,同时消除整流器内部击穿的可能性。
9.4 功率LDO
功率 LDO 的输出电压可以通过 I2C 接口进行编程。可编程电压范围为 3.5V 至 9V,步长为 39mV。
在启动过程中,当 VRECT 引脚上的电压上升到 VOUT + VLIGHT + VDELTA 时,Power LDO 将开启,这可以通过相关寄存器进行编程。
LDO 的输出电流限制也可以通过 I2C 接口进行编程,详细范围列在 Register 表中。
LDO 受到过流保护的保护。在过流保护期间,SINK 开关打开以限制耦合能量。并且将触发对 AP/MCU 的中断以进行更多动作。
LDO 具有软启动功能,可防止在启动期间为输出电容器充电而引起的浪涌电流。软启动逐渐打开 LDO 以控制和限制其电流。
9.5 过压保护
由于 Rx 和 Tx 之间的反馈回路本质上很慢,因此当接收器侧出现过压情况时,发射器无法立即降低功率输出。延迟可能在几十甚至几百毫秒的范围内,这个时间很长,足以损坏 IC。过压保护电路在发生过压情况时立即接合。有两级过压保护。首先,达到低电平 OVP1 阈值,保护电路将在 VRECT 引脚上创建一个“泄放”电阻器(建议使用一个 220欧 0805 封装的电阻器),以通过 SINK 引脚耗散通过电阻器的功率。和
• MTP_OVP1_EPT_EN=0,禁用发送 EPT 和更快地发送 CE;
• MTP_OVP1_EPT_EN=1,发送 EPT;
其次,如果达到高电平 OVP2,则发送 EPT 并触发硬保护,立即切断对 VRECT 电路的能量充电。
9.6 过流保护
NU1680 集成了可靠的过流保护电路。检测 LDO 的电流并将其与过流保护阈值进行比较。如果电流超过阈值,则触发内部过流保护电路,Power LDO 将限制输出电流并将 EPT 发送到 Tx 以关闭无线传输。OCP 阈值可以通过 I2C 设置,请参阅 Register 表。
9.7 短路保护
NU1680 集成了可靠的短路保护功能。如果功率 LDO 的输出低于 1V,则触发内部保护电路,并关闭功率 LDO 以保护 IC。
9.8 外部温度保护
NU1680 为电池或其他外部组件集成了高低温保护。
要使用此功能,请在 TEMP/VBAT 和接地之间连接一个 R25 = 100K、beta = 4250 NTC 电阻器,并清除 MTP_VBAT_TRK_EN=0。
对于高温保护,MTP_TEMP_TH 配置了四个级别的温度阈值。如果温度上升到配置的阈值,IC 将触发温度保护并将 EPT 发送到 Tx。
对于低温保护,应设置MTP_TEMP_LOW_EN。然后,如果目标元件的温度低于零度,IC 将触发温度保护并将 EPT 发送到 Tx。
对于以上两种保护,如果 MTP_TEMP_EPT_EN=0,则不会将 EPT 包发送到 Tx。
9.9 IC 过温保护
为避免 NU1680 的结温高于 150°C,当 IC 温度的芯片达到此点时,IC 会将 EPT 发送到 Tx 以切断无线充电。
9.10 跟踪电池电压
设置 MTP_VBAT_TRK_EN=1 将使能 NU1680 通过实现连接到 TEMP/VBAT 引脚的电池电压来调节 Vout 以跟踪电池电压的功能。此功能能够简单地进行反向充电电路设计。详细参数设置请参考 Register 表。
9.11 I2C、OS1、SINK EN_B
NU1680 允许通过 SCL/ACR 和 SCL/OS2 进行 I2C 通信,建议通过 2.2K 电阻上拉至 5V。I2C 地址为 0x60,单字节地址模式。如果不使用,请保持两个 Pin 悬空。
如果 OS1 引脚配置为 FOD_RES_MODE,则此 PIN 用作负载 #0 处 Offset of FOD 参数的输入,详情请参阅 FOD 配置部分。如果不使用此引脚,请将此引脚接地。
建议在 SINK 引脚和 VRECT 引脚之间连接 220R 的 SMD0805 封装,以在某些极端条件下耗散能量。发生过压时,SINK Pin 的下拉持续时间通常为 200 毫秒。
EN_B 是 LOW使能引脚,用于启用或禁用 NU1680 的功率 LDO。如果不使用,请保持此引脚悬空。
9.12 模数转换器
NU1680 集成了一个精确的 10 位 ADC,该 ADC 从内部信号(如 VRECT 电压、输出电流)获取输入。这些信号用于计算在功率传输阶段向 Tx 报告的适当接收功率。
NU1680 通过 TEMP/VBAT 引脚对 NTC 或电池电压的信号进行采样,以实现温度保护和电池电压跟踪功能。
此外,在上电启动期间,ADC 将感应连接到 OS1、SCL/OS2 和 SCL/ACR 的电阻,进入FOD_RES_MODE模式以配置 FOD 参数。
9.13 通过 SCL/OS2、SCL/ACR、OS1 多路复用配置 FOD
NU1680 提供 SCL/OS2、SCL/ACR 和 OS1 的第二功能,用于配置 FOD 参数。当 IC 上电时,4uA 电流会流过三个 Pins,流向外部电阻,首先感应 OS1 上的电压信号,如果电压在 0.15~1.15V 之间,IC 将设置FOD_RES_MODE并进入 FOD 配置模式。它使用 ADC 将相关参数配置为 registers。完成此配置后,4uA 电流将停止。SCL/ACR 引脚上的电阻配置 ACR 参数,OS1 上的电阻配置负载 #0 的 OFFSET,SCL/OS2 上的电阻配置负载 #1 和 #2 的 OFFSET。有关详细的 FOD 参数设计,请参阅设计工具。
10 布局指南
顶层如图 8 所示,
• 谐振电容 C7/C8/C9/C21、COMM 电容 C1/C2 应放置在 IC 的左侧,越近越好。
• 线圈 L1 的走线宽度应较大。
• 每侧应分别放置两个 VRECT 电容器。
• 在 IC 导热垫引脚上放置一些 Via 以实现良好的热传导。

图 8:顶层
底层部分如图 9 所示,只需要注意一个因素,即至少 >=0.3mm 宽的铜连接两个 VRECT 引脚,并在每侧放置至少两个过孔。

图 9:底层
注意:使谐振电源路由回路尽可能小,并远离另一个信号电路。
