STM32的SysTick
SysTick介绍
定义:Systick,即滴答定时器,是内核中的一个特殊定时器,用于提供系统级的定时服务。该定时器是一个24位的递减计数器,具有自动重载值寄存器的功能。当计数器到达自动重载值时,它会自动重新加载并开始新的计数周期。
|  实现简单的 延时  |  操作系统的时基(如 FreeRTOS )  | 
|  生成定时中断以及进行精确定时和周期定时操作  |  软件看门狗等系统调度操作  | 
- 在STM32中,Systick通常以HCLK(AHB时钟)或HCLK/8的频率作为运行时钟。
SysTick工作原理
在使用Systick定时器进行延时操作时,可以设定初值,并使能后,每经过一个系统时钟周期,计数值就减1。当计数到0时,Systick计数器自动重装初值(nus*72)并继续计数,同时内部的COUNTFLAG标志会置1位(计数完成),触发中断(如果中断使能)。这样,可以在中断处理函数中实现特定的延时逻辑。

时钟源:HCLK

SysTick寄存器
- STK_CTRL(控制及状态寄存器)

|  位  |  名称  |  类  型  | 默认值 |  描述  | 
| 16 |  COUNTFLAG  |  R  | 0 |  如果在上次读取本寄存器后, SysTick 已经数到了 0 ,则该位为    1(计数完成) 。如果读取该位后,该位自动清零。  | 
| 2 |  CLKSOURCE  |  R/W  | 0 |  0= 外部时钟源( STCLK ), ST 公司将其应用为 8 分频;   1= 内核时钟( FCLK ), ST 公司将其应用为 1 分频。  | 
| 1 |  TICKINT  |  R/W  | 0 |  1 = SysTick 倒数到 0 时产生 SysTick 异常请求。(产生中断);   0 =  数到 0 时无动作。  | 
| 0 |  ENABLE  |  R/W  | 0 |  SysTick 定时器的使能位。  | 
- STK_LOAD(重装载数值寄存器)

|  位  |  名称  |  类型  | 默认值 |  描述  | 
|  23:0  |  RELOAD  |  R/W  |  0  |  当倒数至零时,将被重装载的值  | 
- STK_VAL(当前数值寄存器)

|  位  |  名称  |  类型  | 默认值 |  描述  | 
|  23:0  |  CURRENT  |  R/W  |  0  |  读取时返回当前倒计数的值,写它则使之清零,同时还会清除    在 SysTick 控制及状态寄存器中的 COUNTFLAG 标志。  | 
Hal_Delay函数的底层逻辑
- HAL_Delay函数中(调用的是SysTick中的中断服务函数):

- HAL_Init函数中(调用寄存器,初始化SysTick_Init()函数)

手撸延时函数 (操作寄存器)
1.声明一个微秒的延时函数
步骤:(调用寄存器)
- 给重装载寄存器设置计数的个数:72*nus;
- 清空当前寄存器;
- 给寄存器(CLR)分配系数:不分频72MHz,1us记72个数;
- 打开定时器;
- 为使定时器正常的完成一个周期循环,进行判断:定时器是否正确打开,计数完标志位是否置1;
- 关闭计数器。
void delay_us(uint32_t nus)
{uint32_t temp = 0;//滴答定时器需要配置三个寄存器//1.确定要数多少个数72SysTick->LOAD = 72 * nus;//2.清空当前计数SysTick->VAL = 0x00;//3,配置分频系数SysTick->CTRL |= (1<<2);  //将1的二进制向左移2位//4,开启定时器SysTick->CTRL |=(1<<0);
//    while(!(SysTick->CTRL & (1 << 16)));//再很多地方用到,定时可能被关掉,要判断定时器是否正常。enabe?1;countflag?1do{temp = SysTick->CTRL;}while((temp & 0x01) && !(temp & (1<<16)));//4.关闭定时器SysTick->CTRL &= ~(1<<0);
//    temp &= ~(1<<0);
}
2.声明一个毫秒的延时函数,利用while循环
void delay_ms(uint32_t nms)
{while(nms--)delay_us(1000);
}3.声明一个延时秒的函数,利用毫秒函数
void delay_s(uint32_t ns)
{while(ns--)delay_ms(1000);
}手撸操作系统的延时函数
当有操作系统时SysTick是用来做时基,这时定时器不能频繁的打开和关闭。所以,延时函数要用另一种写法。
思路:看定时器的值,当前和下次的数差额,换算成时间。,ticks一共需要记得数:72*nus;利用一个参数tcnt当前已经记了多少个数。利用while循环来记录记得数量,计算总和,如何超过定义的初值停止计数。
- 参数和原理:

- 流程图:

- 微秒函数代码:
(根据流程图写代码)
void delay_us(uint32_t nus)
{//1.画流程提uint32_t ticks;uint32_t tcnt = 0,told,tnow;uint32_t relode = SysTick->LOAD;ticks = nus*72;told = SysTick->VAL;while(1){tnow = SysTick->VAL;if(tnow !=told){if(tnow < told)tcnt += told - tnow;elsetcnt += relode -(tnow - told);told = tnow;if(tcnt > ticks)break; } }
}- 毫秒和秒的函数和不带操作系统时的函数相同。
项目:智能排队控制系统
项目需求
- 红外传感器检测有人通过并计数;
- 计数值显示在LCD1602;
- 允许通过时,LED1闪烁,蜂鸣器不响,继电器不闭合;
- 不允许通过时,LED2闪烁,蜂鸣器响,继电器闭合;
- 每次允许通过5个人,之后转为不允许通过,3秒后再转为允许通过。
硬件清单
| 红外避障模块 | 继电器 | 蜂鸣器 | LCD1602 | 开发板 | ST-Link | 
小实验:SysTick模拟多线程
一般模拟多线程使用操作系统(FreeRots),但是本章利用SysTick定时器触发中断在中断服务函数里来实现
方法一:(在中断服务函数里直接写)


方法二: (写一个多任务的tasks.c文件)
- tasks.c文件代码:
#include "tasks.h"
#include "stm32f1xx.h"
#include "led.h"
uint32_t task1_cnt = 0;
uint32_t task2_cnt = 0;uint8_t task1_flag = 0;
uint8_t task2_flag = 0;void systick_it(void){if(task1_cnt < 1000)task1_cnt ++;else{task1_flag = 1;task1_cnt = 0;  //计数清零}if(task2_cnt < 1000)task2_cnt ++;else{task2_flag = 1;task2_cnt = 0;   //计数清零}
}
上面声明的函数类似于 中断服务函数里的 回调函数:写的是服务代码。void task1(void){if(task1_flag == 0)return;else{led1_toggle(); task1_flag = 0;  //一定要清除标志位,否则上面标志位一直是1,灯一直亮} 
}void task2(void){if(task2_flag == 0)return;else{led2_toggle();task2_flag = 0; //一定要清除标志位,否则上面标志位一直是1,灯一直亮}   
}
- 将自己写的 回调函数(服务代码)声明到 void SysTick_Handler(void)里:

- tasks.h文件代码
#ifndef __TASKS_H__
#define __TASKS_H__void systick_it(void);
void task1(void);
void task2(void);#endif
- main.c文件代码
#include "sys.h"
#include "led.h"
#include "delay.h"
#include "tasks.h"int main(void)
{HAL_Init();                         /* 初始化HAL库 */stm32_clock_init(RCC_PLL_MUL9);     /* 设置时钟, 72Mhz ,将外部HSE倍频到72Mhz*/ led_init();                         /* LED初始化 */while(1){ task1();task2();}
}注意:
利用SysTick模拟多线程存在时间差,不是完全的实时操作系统,只能实现简单的任务。
模块:红外跟随避障
模块介绍
在智能车、机器人和自动化等领域避障技术是确保安全和高效运行的关键。红外避障模块作为一种常见的避障解决方案,因其非接触、响应速度快和抗干扰能力强等优点而备受青睐。本文将详细介绍红外避障模块的特点、工作原理、以及应用案例,帮助您更好地了解这一技术。

工作原理:
红外避障模块不断发射红外信号,当红外信号:
- 有反射回来,OUT 输出低电平,输出指示灯(绿灯)亮。
- 没反射回来,OUT 输出高电平,输出指示灯(绿灯)灭。
红外避障模块上的一对红外线发射与接收管,发射管发射出一定频率的红外线,当检测方向遇到障碍物时,红外线反射回来被接收管接收,经过比较器(LM393)电路处理之后,信号输出接口输出低电平信号,同时绿色指示灯会亮起。
因为黑色能够吸收红外线(红外线不反射),而白色不行(红外线反射),所以除了避障外可用作黑白线循迹、光电开关等等。
常见的用途:
- 机器人避障;
- 小车避障、跟随;
- 流水线计数;
- 黑白线循迹。
工作参数及引脚介绍
- 工作参数:
| 工作电压 | DC 3.3-5V | 
| 工作温度 | -10°C ~ +50°C | 
| 检测角度 | 35° | 
| 检测距离 | 2 ~ 30 CM可调(不同厂家略有差异),距离越近性能越稳定。 | 
| 灵敏度 | 模块中蓝色的电位器用于调节灵敏度,顺时针旋转,灵敏度变高,检测距离变长;逆时针越小,灵敏度变低,检测距离变短。 | 
- 接线如下:
| 红外避障模块 | STM32 | 备注 | 
| VCC | 3.3/5V | 电源正极 | 
| GND | GND | 电源负极 | 
| OUT | 任意GPIO口 | 数字输出 | 
小实验:红外点灯
- 实验目的:用手遮挡红外传感器,LED1点亮2s,之后熄灭。
- 硬件清单:
| 红外传感器 | 上官二号 | ST-Link | 
- 硬件接线:
| STM32 | 红外避障模块 | 
| 5v | VCC | 
| G | GND | 
| GPIO口:PB4 | OUT | 
- exti.c文件代码:
原理:低电平触发中断,反转led灯。
步骤:(中断函数)
- 写一个初始化中断的函数:开启GPIOA的时钟,配置GPIO口;
- 写一个中断服务函数,里面调用一个GPIO口的公共服务函数;
- 调公共服务函数中的回调函数,编写服务代买;
- 获取中断标志位函数;
- 设置中断标志位的函数。
#include "exti.h"
#include "stm32f1xx.h"
#include "delay.h"
#include "led.h"//定义一个标志位
uint8_t vibrate_flag = False;void exti_init(void){//打开时钟__HAL_RCC_GPIOA_CLK_ENABLE();//初始化GPIO口GPIO_InitTypeDef GPIO_Initstruct;GPIO_Initstruct.Mode =GPIO_MODE_IT_FALLING;GPIO_Initstruct.Pin = GPIO_PIN_4;GPIO_Initstruct.Pull = GPIO_PULLUP;GPIO_Initstruct.Speed = GPIO_SPEED_FREQ_HIGH;HAL_GPIO_Init(GPIOA,&GPIO_Initstruct);//在HAL_Init()函数中进行优先级分组,默认第四种,实际用二种HAL_NVIC_SetPriority(EXTI4_IRQn,2,0);HAL_NVIC_EnableIRQ(EXTI4_IRQn); 
}//中断服务函数,
void EXTI4_IRQHandler(void){//调用GPIO的中断公共函数,不同外设不同HAL_GPIO_EXTI_IRQHandler(GPIO_PIN_4);}
//回调函数(GPIO口只有一个),业务代码:按键;消抖
void HAL_GPIO_EXTI_Callback(uint16_t GPIO_Pin){//消抖,震动可忽略不计: delay_ms(20);if(GPIO_Pin == GPIO_PIN_4){  //判断EXTI0是否是GPIO_PIN0if(HAL_GPIO_ReadPin(GPIOA,GPIO_PIN_4) == GPIO_PIN_RESET){//判断GPIO口是否是低电平
//            led1_toggle();//设置中断标志位vibrate_flag = Ture;}}   
}
//让主函数识别中断标志位,定义一个获取中断标志位的函数
uint8_t vibrate_flag_get(void){uint8_t temp = vibrate_flag;  //第一次调用这个函数,返回:True;第二次调用,返回:Falsevibrate_flag = False;return temp;
}//设置中断标志位的值
void vibrate_flag_set(uint8_t value){vibrate_flag = value;
}
- exti.h文件代码:
#ifndef __EXTI_H__
#define __EXTI_H__
#include "stdint.h"#define Ture 1
#define False  0void exti_init(void);
uint8_t vibrate_flag_get(void);
void vibrate_flag_set(uint8_t value);#endif
- main.c文件代码:
#include "sys.h"
#include "led.h"
#include "delay.h"
#include "exti.h"int main(void)
{HAL_Init();                         /* 初始化HAL库 */stm32_clock_init(RCC_PLL_MUL9);     /* 设置时钟, 72Mhz */led_init();                         /* LED初始化 */exti_init();while(1){ if(vibrate_flag_get() == Ture){led1_on();delay_ms(2000);led1_off();vibrate_flag_set(False); //避免在触发一次中断,LED灯亮的同时,受到外界的中断触发,标志位一直置为True,小灯一直亮。}}
}模块:LCD1602显示模块
LCD1602介绍
定义:LCD1602( Liquid Crystal Display 1602),一种常见的字符型液晶显示模块。它能够显示16列2行,共32个字符字符,每个字符都由5x8像素点阵构成,是一种专门用来显示字母、数字、符号等的液晶显示模块。
分类:
| 显示字符 | 屏幕颜色 | 作电压 | 
| 1602(16列2行)、2004(20列4行)、12864(128列64行) | 蓝屏(白字)、黄绿屏(黑字/白字)、灰屏(黑字) | 5V、3.3V | 

工作参数和引脚介绍
- 工作参数 工作电压 工作电流 工作温度 设备寿命 5V 2.0mA -20°C ~ +70°C >100,000小时 
- 引脚接线
(注意:在接线完成之前,不要给板子供电,避免把LCD1602显示模块烧坏)

引脚注解:
V0:液品显示器对比度调整端,接正电源时对比度最高,接地时对比度最低,对比度过高时会产 生“鬼影”,使用时可以通过电位器或电阻调整对比度。电阻小了全是黑块,电阻大了不显示。
RW:读写信号线,高电平时进行读操作,低电平时进行写操作。
当 RS (0:指令寄存器)和 RW(0: 写) 共同为低电平时可以写入指令成者显示地址;
当 RS 为低电平(0:指令寄存器)),RW 为高电平(1:读)时可以读出信号;
当 RS 为高电平(1:数据寄存器),RW 为低电平时(0: 写)可以写入数据。
E:使能端,当E端由高电平跳变成低电平时,液晶模块执行命令。
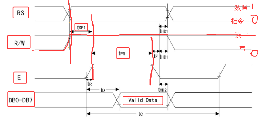
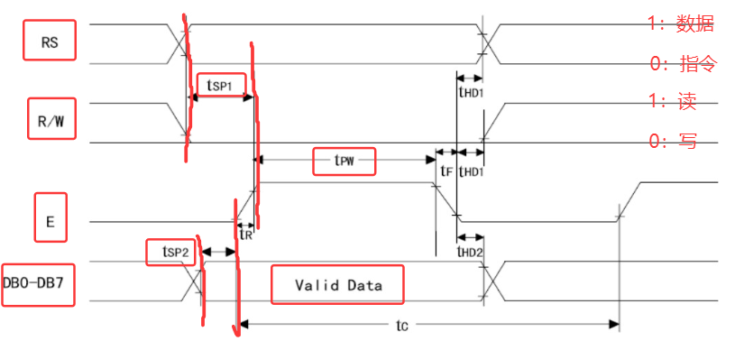
基本操作时序
- 读操作时序图

- 写操作时序图

我们以写操作为例,分析一下时序图。
- 当我们要写指令的时候,RS 置为低电平,RW 置为低电平,E 置为低电平,然后将指令数据送到数据口 D0~D7,延时 tsp1,让 LCD1602 准备接收数据,这时候将 E 拉高,产生一个上升沿,这时候指令就开始写入 LCD1602,延时一段时间,将 E 置为低电平。
- 当我们要写数据的时候,RS 置为高电平,RW 置为低电平,E 置为低电平,然后将指令数据送到数据口 D0~D7,延时 tsp1,让 LCD1602 准备接收数据,这时候将 E 拉高,产生一个上升沿,这时候数据就开始写入 LCD1602,延时一段时间,将 E 置为低电平。
对比一下可以发现,写指令和写数据在时序上只是 RS 的不同,写指令 RS=0,写数据 RS=1
- 时序时间参数如下:

LCD1602指令

| 指令1 | 清显示,指令码 01H,光标复位到地址 00H 位置。 | 
| 指令2 | 光标复位,光标返回到地址00H。 | 
| 指令3 | I/D:光标和显示模式设置,光标移动方向,高电平右移,低电平左移; S:屏幕上所有文字是否左移或者右移。高电平表示有效,低电平则无效。 | 
| 指令4 | 显示开关控制。  D:控制整体显示的开与关,高电平表示开显示,低电平表示关显示;  C:控制光标的开与关,高电平表示有光标,低电平表示无光标;  B:控制光标是否闪烁,高电平闪烁,低电平不闪烁。 | 
| 指令5 | S/C:高电平时移动显示的文字,低电平时移动光标; R/L:高电平时右移,低电平时左移。 | 
| 指令6 | 功能设置命令 DL:高电平时为4位总线,低电平时为8位总线;  N:低电平时为单行显示,高电平时双行显示;  F:低电平时显示5x7的点阵字符,高电平时显示5x10的点阵字符。 | 
| 指令7 | 字符发生器RAM地址设置。 | 
| 指令8 | DDRAM地址设置。 | 
| 指令9 | 读忙信号和光标地址,BF:为忙标志位,高电平表示忙,此时模块不能接收命令或者数据,如果为低电平表示不忙。 | 
| 指令10 | 写数据。 | 
| 指令11 | 读数据。 | 
LCD1602显存地址
- 写入地址:

写入显示地址时要求最高位 D7 为高电平(1):
- 写入第一行第一个字符的地址:
00000000B(00H)(1行1列)+ 10000000B(80H)(最高位置1) = 10000000B(80H)。
- 写入第二行第一个字符的地址:
01000000B(40H)(1行2列)+ 10000000B(80H)(最高位置1) = 11000000B(C0H)
- 写入字符
字符表如下,和 ASCII 码相似:
例:数字1 = 高八位(0011)+低八位(xxxx0001) = 00110001(对应十进制ASCII表)

LCD1602启动流程

小实验:LCD1602显示内容
实验目的 :
- 使用LCD1602显示一个字符;
- 使用LCD1602显示一个字符串。
硬件清单:
| LCD1602 | 上官二号 | ST-Link | 电阻(可以不用) | 
硬件接线:
| LCD1602 | STM32 | 
| VSS | GND | 
| VDD | 5V | 
| V0 | GND | 
| RS | B1 | 
| RW | B2 | 
| E | B10 | 
| D0 | A0 | 
| D1 | A1 | 
| D2 | A2 | 
| D3 | A3 | 
| D4 | A4 | 
| D5 | A5 | 
| D6 | A6 | 
| D7 | A7 | 
| A | 3.3V | 
| K | GND | 
-  实验1:LCD1602显示一个字符
- lcd1602.c文件代码:
步骤:
- 初始化lcd的函数:初始化GPIO口函数 和 初始化启动过程函数;
- 根据 时序图 编写 写指令 和 写数据 的函数;(使用宏定义更加的方便,简洁)
- 根据 写地址 和 写数据 的原理:编写一个写字符的函数。
#include "lcd.h"
#include "delay.h"//进行RS寄存器宏定义
#define RS_GPIO_Poter  GPIOB
#define RS_GPIO_PIN    GPIO_PIN_1
#define RS_LOW         HAL_GPIO_WritePin(RS_GPIO_Poter,RS_GPIO_PIN,GPIO_PIN_RESET)
#define RS_HIGH        HAL_GPIO_WritePin(RS_GPIO_Poter,RS_GPIO_PIN,GPIO_PIN_SET)//进行RW寄存器进行宏定义
#define RW_GPIO_Poter   GPIOB
#define RW_GPIO_PIN     GPIO_PIN_2
#define RW_LOW          HAL_GPIO_WritePin(RW_GPIO_Poter,RW_GPIO_PIN,GPIO_PIN_RESET)
#define RW_HIGH         HAL_GPIO_WritePin(RW_GPIO_Poter,RW_GPIO_PIN,GPIO_PIN_SET)//对E寄存器进行宏定义
#define E_GPIO_Poter    GPIOB
#define E_GPIO_PIN      GPIO_PIN_10
#define E_HIGH          HAL_GPIO_WritePin(GPIOB,GPIO_PIN_10,GPIO_PIN_SET)
#define E_LOW           HAL_GPIO_WritePin(GPIOB,GPIO_PIN_10,GPIO_PIN_RESET)void lcd_init(void){//初始化GPIO口lcd_gpio_init();//(开机)上电的初始化lcd_start_init(); 
}
//上电的初始化
void lcd_gpio_init(void){__HAL_RCC_GPIOA_CLK_ENABLE();__HAL_RCC_GPIOB_CLK_ENABLE();GPIO_InitTypeDef GPIO_Initstruct;GPIO_Initstruct.Pin = GPIO_PIN_1|GPIO_PIN_2|GPIO_PIN_3|GPIO_PIN_0|GPIO_PIN_4|GPIO_PIN_5|GPIO_PIN_6|GPIO_PIN_7;GPIO_Initstruct.Mode = GPIO_MODE_OUTPUT_PP;GPIO_Initstruct.Pull = GPIO_PULLUP;GPIO_Initstruct.Speed = GPIO_SPEED_FREQ_HIGH;HAL_GPIO_Init(GPIOA,&GPIO_Initstruct);GPIO_Initstruct.Pin = RW_GPIO_PIN|RS_GPIO_PIN|E_GPIO_PIN;GPIO_Initstruct.Mode = GPIO_MODE_OUTPUT_PP;GPIO_Initstruct.Pull = GPIO_PULLUP;GPIO_Initstruct.Speed = GPIO_SPEED_FREQ_HIGH;HAL_GPIO_Init(GPIOB,&GPIO_Initstruct);}
//启动初始化
void lcd_start_init(void){//延时15msdelay_ms(15);//写指令38H(不检测忙信号)lcd_write_cmd(0x38);//延时5msdelay_ms(5);//检测忙信号//写指令38H:显示模式设置lcd_write_cmd(0x38);//写指令08H:显示关闭lcd_write_cmd(0x08);//写指令01H:显示清屏lcd_write_cmd(0x01);//写指令06H:显示光标移动设置lcd_write_cmd(0x06);//写指令0CH:显示开及光标设置lcd_write_cmd(0x0C);
}//根据时序图来完成写指令的函数
void lcd_write_cmd(char cmd){RS_LOW;             //写指令RW_LOW;             //写E_LOW;              //将E置低电平GPIOA->ODR = cmd;   //将指令写入到GPIOA的输出寄存器里的的低八位中delay_ms(5);        //延时tsp2E_HIGH;             //E置高电平delay_ms(5);        //延时tpwE_LOW;              //将E置低电平
}//根据时序图来完成写数据的函数
void lcd_write_date(char data){RS_HIGH;             //写数据RW_LOW;              //写E_LOW;               //将E置低电平GPIOA->ODR = data;   //将指令写入到GPIOA的输出寄存器里的的低八位中delay_ms(5);         //延时tsp2E_HIGH;              //E置高电平delay_ms(5);         //延时tpwE_LOW;               //将E置低电平
}//显示一个字符的函数
void lcd_show_char(int colum,char data){//在哪里显示?lcd_write_cmd(0x80+colum);//显示内容?lcd_write_date(data);}- lcd.h文件代码:
#ifndef __LCD_H__
#define __LCD_H__
#include "stm32f1xx.h"void lcd_init(void);
void lcd_gpio_init(void);
void lcd_start_init(void);
void lcd_write_cmd(char cmd);
void lcd_write_date(char dataShow);void lcd_show_char(int colum,char data);#endif
- main.c文件代码:
#include "sys.h"
#include "led.h"
#include "delay.h"
#include "lcd.h"int main(void)
{HAL_Init();                         /* 初始化HAL库 */stm32_clock_init(RCC_PLL_MUL9);     /* 设置时钟, 72Mhz */led_init();                         /* LED初始化 */lcd_init();while(1){ lcd_show_char(0x0E,'x');}
}实验2:lcd显示一个字符串
- 基本流程和上述显示一个字符一样;区别在lcd.c文件中显示字符函数:

- mian.c文件代码:
#include "sys.h"
#include "led.h"
#include "delay.h"
#include "lcd.h"int main(void)
{HAL_Init();                         /* 初始化HAL库 */stm32_clock_init(RCC_PLL_MUL9);     /* 设置时钟, 72Mhz */led_init();                         /* LED初始化 */lcd_init();while(1){ lcd_show_string(1,0,"xys!!!");lcd_show_string(2,0,"good!!!");}
}出现的问题和改正:
- LCD屏幕第一行有黑块
可能的问题:接线问题,没烧录代码。
- 利用for循环遍历字符串中的字符时,出现只打印一半的的情况
输出的结果:(不完整)
原因:
- 在于循环条件中错误地使用了动态变化的 strlen(string);
- 每次循环迭代时,string 指针递增,导致 strlen(string) 的值逐渐减少,最终提前终止循环。
- 例如,初始字符串长度为 11,但随着指针后移,后续的 strlen 会依次返回 10、9、8…当循环变量 i 超过当前剩余长度时,循环终止,导致只打印部分字符。
解决办法:预先计算字符串长度并保存在变量中,循环时使用固定的长度值。
完结项目
状态机
定义:状态机(State Machine)是一种用于描述系统行为或功能行为的数学模型。它通常包含一组状态、一组转换条件以及动作执行。状态机通过在不同状态之间进行转换来模拟系统的行为。
主要特点:
- 有限状态:状态机通常具有有限数量的状态。这些状态可以是有序的、离散的或层次化的。
- 转换条件:状态之间的转换是基于特定条件触发的。当满足某个条件时,状态机会从当前状态转换到下一个状态。
- 动作执行:在状态转换过程中,状态机可能会执行某些动作或操作。这些动作可以包括计算、数据更新、输出信号等。
- 确定性和非确定性:状态机可以是确定性的(每个条件唯一对应一个转换)或非确定性的(一个条件可能导致多个可能的转换)。
实现方式:状态机的实现方式多种多样,可以使用编程语言中的条件语句、循环结构或专门的状态机库来实现。此外,硬件设计领域中的有限状态机(Finite State Machine, FSM)也是状态机的一种重要应用。
举例:

while(1)
{if(state == 开心){KTV();撸串();if(女朋友跟人跑了)state = 郁闷;}else if(state == 郁闷){抽烟();嫩模();if(交新女朋友了)state = 开心;else if(刷到良许直播)state = 打鸡血;}else if(state == 打鸡血){写bug();改bug();if(成功入行了)state = 开心;}
}本项目的状态机

项目框图

硬件接线


执行代码
- tasks.c文件代码:
在模拟系统中,采用多线程,来完成状态的编写,写到滴答定时器的中断服务函数中。
步骤:
- 声明一个滴答定时器的回调函数(写服务代码);
- 服务代码:状态机的状态(是否允许通行)、要执行的行为(led灯的亮灭、继电器的开闭、蜂鸣器的响、lcd显示字符串)、自动转化条件(3s之后状态的转换);
- 声明一个执行条件的函数:当通过5个人的时候,条件转化(当有人通过时计数器计次,利用lcd显示屏显示当前的计数的次数;超过5人后状态转化)。
#include "tasks.h"
#include "stm32f1xx.h"
#include "led.h"
#include "beep.h"
#include "gate.h"
#include "lcd.h"
#include "exti.h"
#include "stdio.h"//定义一个枚举来声明状态机的状态
enum{PASS_STATE,                          //注意:这里有个逗号WAIT_STATE 
};                                       //这里有个分号uint32_t led1_cnt = 0;
uint32_t led2_cnt = 0;
uint32_t wait_cnt = 0;uint8_t led1_task_flag = 0;
uint8_t led2_task_flag = 0;uint8_t state = PASS_STATE;             //定义一个状态:通过和不通过void systick_it(void){                  //回调函数//如果处于允许通行的状态if(state == PASS_STATE){//LED1以1s的频率闪烁if(led1_cnt < 1000)led1_cnt ++;else{led1_toggle();led1_cnt = 0;}//LED2不闪led2_off();//蜂鸣器不响beep_off();//继电器打开gate_on();
//        lcd_show_string(1,1,"hello");}//如果处于不允许通行的状态else if(state == WAIT_STATE){//LED1不闪,LED2以500ms的频率闪烁led1_off();if(led2_cnt < 500){led2_cnt ++;}else{led2_toggle();led2_cnt = 0;}//蜂鸣器响beep_on();//继电器关闭gate_off();//计时3s之后if(wait_cnt < 5000)    // 5swait_cnt ++;else{wait_cnt = 0;//进入允许通行的状态state = PASS_STATE;   //LCD显示状态lcd_show_string(1,3,"...PASS...");}}
}//在主函数中调用实现检测人数
uint32_t passager = 0;
void exti_task(void){//检测有人通过if(ia_flag_get() == True && state == PASS_STATE){passager ++;//在lcd显示屏上显示当前的计数人数char message[16];                                //创建一个字符数组,存储字符串sprintf(message,"PASS...%02d/05",passager);      //将字符串打印到字符数组中lcd_show_string(1,1,message);}//如果通过的人数超过5个if(passager >= 5){passager = 0;//进入不允许通行的状态state = WAIT_STATE;//lcd显示当前的状态lcd_show_string(1,1,"....WAIT....");}
}- main.c的文件代码:
#include "sys.h"
#include "led.h"
#include "delay.h"
#include "tasks.h"
#include "gate.h"
#include "exti.h"
#include "lcd.h"
#include "beep.h"int main(void)
{HAL_Init();                         /* 初始化HAL库 */stm32_clock_init(RCC_PLL_MUL9);     /* 设置时钟, 72Mhz ,将外部HSE倍频到72Mhz*/ led_init();                         /* LED初始化 */gate_init();exti_init();lcd_init();beep_init();while(1){ exti_task();}
}本项目的新知识的总结:
- 利用systick模拟操作系统,实现多线程的编程;
- 提前将避障红外模块,继电器,蜂鸣器,led灯的代码写好;
- 利用枚举来定义状态机的状态,相比宏函数更加的方便;
- 利用 &&运算符,进行两个条件的限制;




