深入解读:2025 数字化转型管理 参考架构
《GB/T 45341—2025 数字化转型管理 参考架构》规定了数字化转型参考架构,涵盖主要视角、过程方法、发展阶段与水平档次。主要视角包含发展战略、业务创新转型等 5 个方面,明确任务及关联;
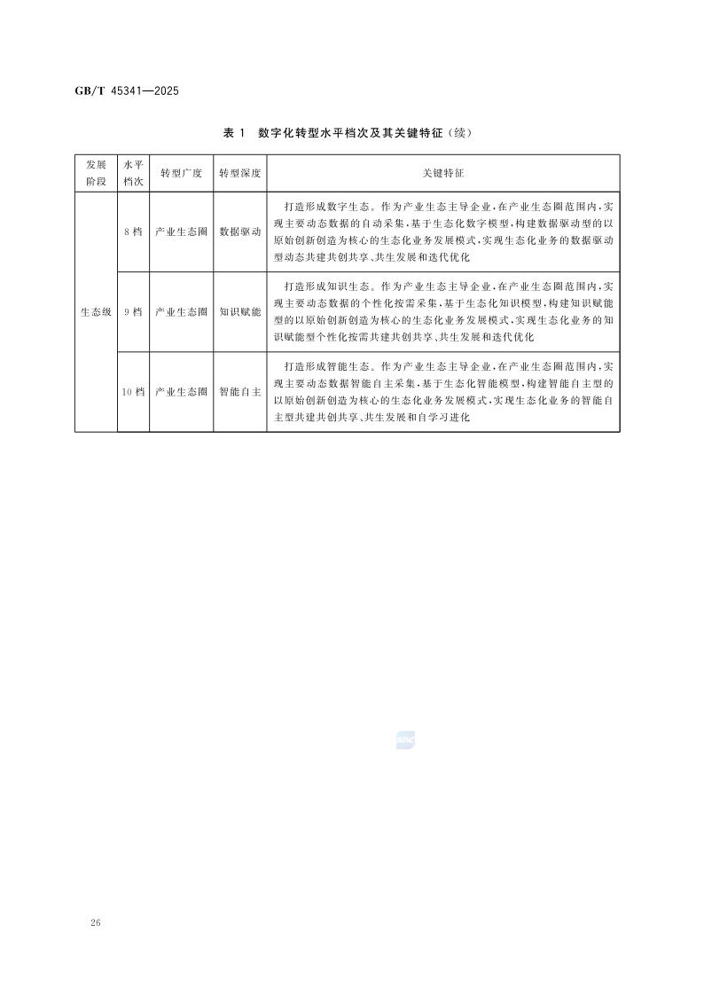
过程方法基于 “策划 — 支持、实施与运行 — 评测 — 改进”,构建 5 个过程联动方法推进转型;发展阶段分为规范级、场景级等 5 级,对应 10 个细分水平档次,各有不同特征与要求,为企业数字化转型提供全面指导。




































































《GB/T 45341—2025 数字化转型管理 参考架构》规定了数字化转型参考架构,涵盖主要视角、过程方法、发展阶段与水平档次。主要视角包含发展战略、业务创新转型等 5 个方面,明确任务及关联;
过程方法基于 “策划 — 支持、实施与运行 — 评测 — 改进”,构建 5 个过程联动方法推进转型;发展阶段分为规范级、场景级等 5 级,对应 10 个细分水平档次,各有不同特征与要求,为企业数字化转型提供全面指导。



































































