RC吸收电路参数设置实战
RC吸收电路参数估算
https://blog.csdn.net/weixin_43168481/article/details/145796009?spm=1001.2014.3001.5501
之前的文章里我们讲解了RC吸收电路的参数基本估算方法,实际应用跟理论上还是有些区别的,理论上成立的数值由于损耗和器件体积的原因在实际的设计条件下并不一定能够使用,还要根据实际的情况进行调节
这篇文章里我们来讲一下实际的应用方法
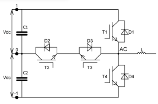
这里我们假设整机系统为额定功率125kW三相三电平T型逆变器,额定输入相电压为220V,直流母线电压为1000V,开关频率为16kHz,IGBT的最大电压为1200V,根据以上条件我们可以进行计算,这里我们以竖管T1管进行举例

电容C的估算
根据IGBT的规格书,查出Tf值


这里IGBT最大允许峰值取1100V,留了100V余量
所以

电阻R的估算
回路的杂散电感值,一般为几nH~几十nH之间(如果需要更准确的值,可以根据双脉冲测试进行测定),这里我们取20nH

电阻R的功率核算

这个功率显然是无法接受的,因此我们需要减小电容来达到给电阻降功率的目的,由于电容和电阻是成反比的关系,因此我们也可以直接增大电阻
这里我们假设电阻为20Ω
则


继续核算电阻上消耗的功率

实际器件的选择
以上是理论计算,我们还要根据实际的器件特性选择器件
母线电压为1kV,因此电容的耐压不应小于1kV,所以这里我们选择两个1kV耐压,100pF的高压贴片电容串联,电容由于串联容值会减半,串联后电容容值差不多在50pF左右

电阻我们选择3个封装为2512、耐压为500V,阻值为10Ω的贴片电阻串联,单个电阻的功率为1W

3个电阻总功率为3W大于0.4W,串联后总耐压为1.5kV大于1kV,满足使用需求
总结
由于寄生参数和结构安装上的原因理论计算和实际的参数还是有一定的偏差,理论计算只是作为一个基础,调试的时候还需要根据实际的情况进行调整,这里只是为大家提供一个思路。
调整的原则是电容和电阻的耐压不能小于系统最大峰值电压,电阻的温度不能太高,一般控制在80℃以下
