当前位置: 首页 > news >正文

【敏矽微ME32G030系列】介绍、环境搭建、工程测试

【敏矽微ME32G030系列】介绍、环境搭建、工程测试

本文介绍了敏矽微ME32G030系列单片机及开发板、包括参数特点、原理图、应用场景,以及开发环境搭建、工程测试等流程。

简介

本节介绍了开发板主控、特点、开发板原理图、板载资源等信息。

主控

开发板采用 ME32G030AC8T6 作为主控,ME32G030 系列是 敏矽微电子 研发的新一代 ARM Cortex-M0 核 32 位微控制器。该控制器具备有常用外设和功能,如高速12位的ADC转换器,UART串口,SPI接口,I2C总线接口,看门狗定时器(WDT),7个通用计数器/定时器。ME32G030 系列还支持马达控制功能,直流无刷电机控制 PWM 模块。

参数特性

ME32G030 参数和特点介绍如下

高性能 32位 ARM CPU 内核

  • 速度高达 48MHz 的 ARM Cortex-M0 处理器
  • 可嵌套中断向量控制器 (NVIC)
  • 32位硬件乘法器
  • 24位系统嘀嗒定时器
  • DMA ,支持外设到 SRAM,SRAM 到外设以及 SRAM 到 SRAM 操作

Flash 存储器

  • 64KB 用户程序空间
  • 5KB 启动程序
  • 32 bit Flash 数据总线,支持高性能应用要求

SRAM 存储器

  • 内嵌 8KB 高速 SRAM

16位PWM发生器

  • 8通道 PWM 输出
  • 自动死区插入
  • 基于硬件的保护系统

内嵌系统引导程序(bootloader)

  • 支持 Flash 存储器 In-System-Program (ISP) 、 In-Application-Program (IAP)和In-Ciruits-Program (ICP)
  • 支持用户程序保护和加密

灵活的时钟单元

  • 多个时钟源
  • 内置 48 MHz 精度 1% 的内部高速振荡器,用户可调
  • 内置 32kHz 看门狗振荡器

RTC

  • 32k 外部晶振
  • 内置 24 位计数器,用于实时计时和产生定时中断

定时器/计数器

  • 4个基础定时器/计数器和2个增强型定时器/计数器
  • 基础定时器/计数器支持匹配中断功能和2路互补的PWM输出
  • 基础定时器/计数器支持标准红外载波输出
  • 增强型定时器/计数器支持匹配和捕获中断功能
  • 增强型定时器/计数器支持边沿计数,门控计数, AB相正交计数,触发计数,符号计数和3路PWM输出

模拟外设

  • 12 位 1MHz SAR ADC 转换器
  • 8 个通道AD
  • 支持软件和硬件AD转换触发模式
  • 2 个比较器,8路输入,2个输出

丰富的通信接口和通用输入/输出端口(GPIO)

  • 4个具备16字节FIFO 的串口通信模块,支持硬件握手(RTS/CTS)同时支持IrDA 协议
  • 2个扩展的 SPI接口,支持多种协议
  • 2个I2C接口
  • 44个高速GPIO接口

电源管理

  • 省电模式:睡眠模式,深度睡眠和掉电模式
  • 通过4路WAKEUP管脚从掉电模式中唤醒
  • 深度睡眠可以提供WDT/RTC定时中断唤醒
  • 支持欠压检测(BOD),两组可配置电压检测点可分别产生欠压中断和强制复位
  • 支持上电复位(POR)
  • 集成的电源管理单元(PMU)

工作温度范围

  • 工业级 (-40°C ~ +85°C)
  • 扩展级 (-40°C ~ +105°C)

唯一的产品序列号

2.0V~5.5 V 宽压工作范围

48/32/20管脚LQFP/QFN/TSSOP封装

详见: ME32G030 系列的数据手册和用户手册,见附件。

开发板

Top view

在这里插入图片描述

Bottom view

在这里插入图片描述

板载资源
  • 1 个用户按键
  • 1 个 Reset 复位按键
  • 1 个用户 LED
  • 1 个电源指示 LED
  • 板载 CH340N,支持串口通信、串口烧录固件
  • 外置 RTC 晶振 32.768 kHz
  • JTAG 调试接口,支持 SWD 烧录
  • Bootloader 管脚引出,支持跳帽拉低电平
  • 全管脚引出,便于外设模块的连接与测试
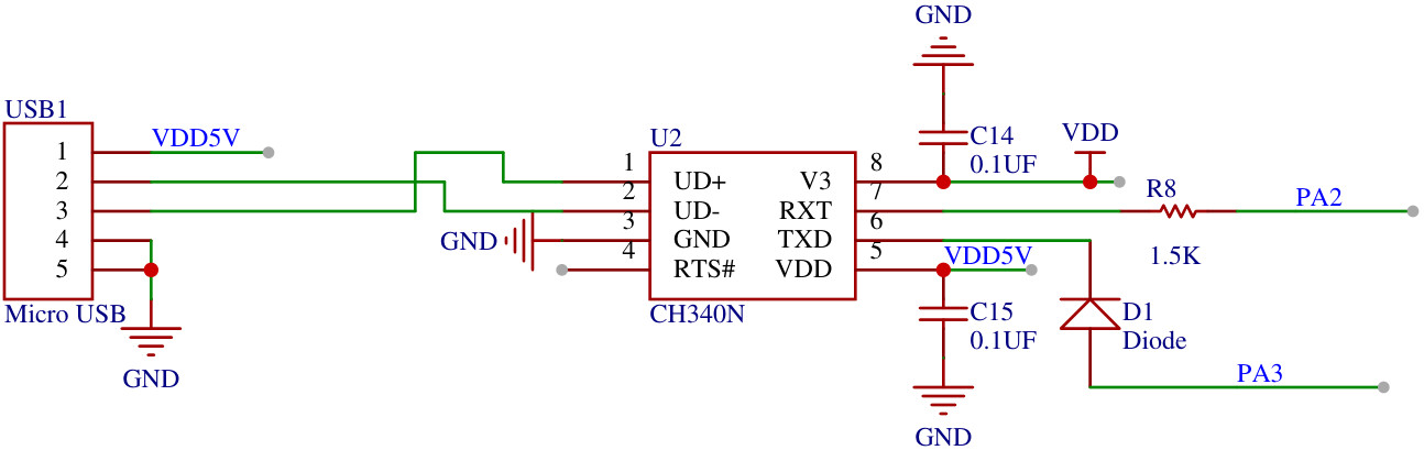
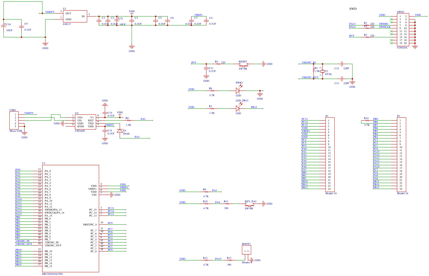
原理图

在这里插入图片描述

原理图资料位于 me32g030_sdk_v1/demo board 文件夹,详见附件。

环境搭建

敏矽微为开发者提供了十分友好的开发平台和编译环境,便于初学者上手测试。

1.下载并安装 Keil MDK IDE 软件;

2.下载并安装 Mesilicon.ME32.2.2.0.pack;

位于 me32g030_sdk_v1\utilities\keil5 pack 文件夹。

工程测试

介绍了闪灯和串口通信 Demo 例程的测试流程,包括硬件连接、代码解析、固件编译和上传、效果展示等。

Blink

测试项目:板载 LED 闪烁

Demo 例程:me32g030_sdk_v1\example\led\

硬件连接

根据原理图可知,

在这里插入图片描述

板载用户 LED 为低电平点亮,对应 PB12 引脚。

由于板载下载接口为 JLink 接口,其 SWD 接线方式示意图如下

在这里插入图片描述

这里使用 DAP-Link 调试器。

DAP-Link 设计参考:DAPLink_3D - 立创开源硬件平台

代码

双击打开 me32g030_sdk_v1\example\led\MDK\demo.uvprojx 例程,主函数文件位于 app 文件夹

#include "me32g030.h"
#include "me32g030_ioconfig.h"
#include "me32g030_gpio.h"
#include "me32g030_sys.h"//Main function entry
int main(void)
{//Set PB12 as gpioPB12_INIT(PB12_GPIO);//Set PB12 as outputPB->DIR_b.DIR12  = 0x1;while(1){//toggle PB12PB->NOT_b .NOT12 =1;SYS_Delay(0x1FFFF);}}

编译工程,上传固件,复位运行。

效果

板载用户 LED (PB12)闪烁

在这里插入图片描述

UART

介绍了串口通信 Demo 例程 me32g030_sdk_v1\example\uart0_basic\

串口电路

根据开发板原理图可知

在这里插入图片描述

板载 Micro-USB 与 CH340N 串口芯片连接,CH340N 与 MCU 的 PA2PA3 串口 UART1 引脚连接,因此在串口定义时使用 UART1 即可。

代码

双击打开 me32g030_sdk_v1\example\uart0_basic\MDK\demo.uvprojx 例程,主函数文件位于 app 文件夹

//UART ECHO demo Main Program#include "me32g030.h"
#include "me32g030_uart.h"
//#include "me32g030_sys.h"
#include "me32g030_ioconfig.h"
//Main function entry
int main(void)
{uint32_t i;FMC->FLASH_RDCYC=1; SYSCON->SYSAHBCLKDIV =1;SystemCoreClockUpdate ();//init UART pinPA2_INIT(PA2_UART1_TX);PA3_INIT(PA3_UART1_RX);//initial UART1
//	UART_Open(UART1,256000,UART_NO_PARITY,UART_TRIGGER_LEVEL_1_BYTE);
//	UART_Open(UART1,115200,UART_NO_PARITY,UART_TRIGGER_LEVEL_1_BYTE);
//	UART_Open(UART1,128000,UART_NO_PARITY,UART_TRIGGER_LEVEL_1_BYTE);
//	UART_Open(UART1,57600,UART_NO_PARITY,UART_TRIGGER_LEVEL_1_BYTE);UART_Open(UART1,115200,UART_NO_PARITY,UART_TRIGGER_LEVEL_4_BYTES); // baudrate
//		UART_Open(UART1,38400,UART_NO_PARITY,UART_TRIGGER_LEVEL_1_BYTE);
//		UART_Open(UART1,19200,UART_NO_PARITY,UART_TRIGGER_LEVEL_1_BYTE);
//		UART_Open(UART1,14400,UART_NO_PARITY,UART_TRIGGER_LEVEL_1_BYTE);
//		UART_Open(UART1,9600,UART_NO_PARITY,UART_TRIGGER_LEVEL_1_BYTE);if (UART1->LSR_b.THRE)UART1->THR=0x5A;//Loop forever while(1){//send received data
// 		if (UART1->LSR_b.THRE)
// 			UART1->THR=0x5A;
//		i=0xff;
//		while(i--);if (UART1->LSR_b.RDR){if((UART1->LSR_b.THRE))UART1->THR=UART1->RBR;}
//		if (!UART_ByteRead(uart,&data))
//			UART_ByteWrite(uart,data);}}

编译工程,上传固件,复位运行。

打开串口调试助手,选择串口对应的设备端口号,波特率 115200 bps,打开串口。

代码功能:

  • 发送字符串,串口回应相同字符。
  • 初始或复位时,串口发送字符 Z .
效果

该例程为 UART 基础测试项目,短按 RST 键复位,此时开发板发送字符 Z 至接收端

在这里插入图片描述

发送 Hello World! 并回复相同字符串

在这里插入图片描述

总结

本文介绍了敏矽微 ME32G030 开发板的主控参数、开发板资源、原理图等信息,之后介绍了开发环境部署流程,并给出闪灯和串口通信 Demo 例程的测试流程,包括硬件连接、代码解析、固件编译和上传、效果展示等,为后续深入研究做好铺垫,也为敏矽微相关项目的开发设计及快速应用提供了参考。

官方资源下载:share .

http://www.dtcms.com/a/151679.html

相关文章:

  • 《重塑AI应用架构》系列: Serverless与MCP融合创新,构建AI应用全新智能中枢
  • LangChain4j(13)——RAG使用3
  • vscode+cmake高阶使用
  • SimVG论文精读
  • php基础
  • Nacos自动刷新配置源码解析
  • Ubuntu22.04新版本谷歌无法使用搜狗输入法/中文不显示
  • 组织级项目管理OPM
  • Spark 集群搭建:Standalone 模式详解
  • 天梯赛补题
  • Kafka 详解
  • Qt creator 16.0.1 语言家失效解决方法
  • 使用 VSCode 编写 Markdown 文件
  • Vscode已经打开的python项目,如何使用已经建立的虚拟环境
  • 局部最小实验--用最小成本确保方向正确
  • 信息学奥赛一本通 1505:【例 2】双调路径 | 洛谷 P5530 [BalticOI 2002] 双调路径
  • 03-谷粒商城笔记
  • MongoDB(docker版)备份还原
  • 八大排序——选择排序/堆排序
  • Android APP 爬虫操作
  • 海外产能达产,威尔高一季度营收利润双双大增
  • 【k8s】docker、k8s、虚拟机的区别以及使用场景
  • shell脚本1
  • SwiftUI 常用控件简介
  • Hi3518E官方录像例程源码流程分析(五)
  • PNG透明免抠设计素材大全26000+
  • python异步协程async调用过程图解
  • HTTP 请求头的 key 不区分大小写。
  • FlinkUDF用户自定义函数深度剖析
  • 洛谷5318C语言题解