有源低通滤波器 sallen-key低通滤波器原理与计算
- 阶RC滤波器

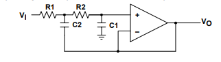
- Sallen-key 低通滤波器

- 非常低频率时电容接近于开路,去掉电容后类似于跟随器
- 非常高频率时电容接近于短路,正相输入端接地,无输出。
- 阻容参数的确定
fc=1/(2π√(R1R2C1C2))

为方便计算,已设定两个电阻R1和R2的阻值相等
1、计算截止频率fc:请在上面表单填写电阻值(R)和电容值(C);
- 计算电阻阻值(R):需要填写截止频率和电容值(C);
3、计算电容值(C):电路中有两个电容,C1、C2存在倍数关系:C1=2*C2,所以要求任意一个电容值,只需知道其中一个电容值或者截止频率和电阻值。
参数计算工具
