嘉立创原理图、PCB常见问题
目录
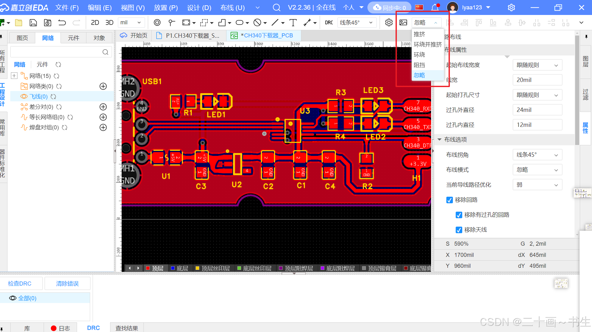
1、PCB导线线拉不直
2、调整线宽
3、铺铜之后很多GND的DRC报错
4、统一更改元件丝印字体&字体大小
5、一键扇出多个网络标签
1、PCB导线线拉不直
线拉不直,可以调整为忽略

2、调整线宽
调整线宽可以在画线的时候按tab键调整,只对此次画线有效
信号线(普通引 | 脚)
不需要加粗;一般在 6~10mll ;通常 10mil 走线即可;
1.3 重要 f 高速线( USB3.0 传输线、 DDR 、网口引 I 脚等等 )
这些属于特殊信号线;速度较快;一般需要进行阻抗控制、等长等操作;
如下:在设计规则处调整默认线宽
3、铺铜之后很多GND的DRC报错
一般GND可以不用进行连线,我们可以先隐藏GND飞线,然后对GND进行正反面铺铜连接GND,有些GND铺铜铺不到的,检测drc会报错,要进行手动连接,放置过孔。然后再shift+B,重建铺铜,再检查drc,错误就消失了。
4、统一更改元件丝印字体&字体大小
元件丝印太小了,统一更改丝印方法如下,左击选中任意一个元件丝印( 注意是选中丝印,而不是选中元件整体),右击,点击查找。
查找全部,在右侧调整字体
5、一键扇出多个网络标签
右击元件,点击扇出网络标签
按住ctrl选中需要引出标签的引脚,将引脚名称填入网络名,点击确认即可
