【T型三电平仿真】SVPWM调制
目录
仿真模型分析
克拉克变换
大扇区判断编辑
小区域判断
计算基本电压矢量作用时间
确定基本电压矢量的作用顺序
作用时间和矢量作用顺序对应
七段式化生成阶梯图
矢量状态分布
本人学习过程中提出的问题和解释
SVPWM调制实现了什么功能
SVPWM的算法步骤是什么流程
为什么要确定基本电压矢量的作用顺序
三相合成电压矢量为什么要乘以三分之二
下图中进行时间进行交换的原因是什么
仿真模型中T1,T2,T3代表什么意思
基本电压矢量的作用时间是怎么转换为开关状态作用的时间的
大扇区判断得到的角度范围是多少
为什么小扇区判断的输入变量含有一个常量值Udc
参考电压矢量对应现实拓扑中的什么器件
优化开关状态组合什么意思
基本空间电压矢量代表的是什么
参考电压矢量代表的是什么
27种开关状态怎么只对应19个空间矢量
算法中的变量和实际的物理量中间的联系是什么
SVPWM的波形生成过程为什么是马鞍波和三角波的交点
调制波是怎么通过载波传递的,传递之后经过LC或者LCL滤波的数学方程
分析SVPWM和SPWM这种算法的流程是什么样子的
T型三电平的节点输出电压波形是什么样子的
T型三电平的SPWM调制是怎么确定开关管的工作顺序和时间
T型三电平的SVPWM调制是怎么确定开关管的工作顺序和工作时间的
七段式SVPWM和五段式SVPWM是怎么工作的
三个电压矢量的作用时间是一样的吗
空间向量是怎么进行定义的
如果把SVPWM算法比做一个黑匣子的话,那么他的输入输出是什么东西
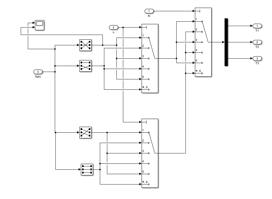
仿真模型分析
克拉克变换
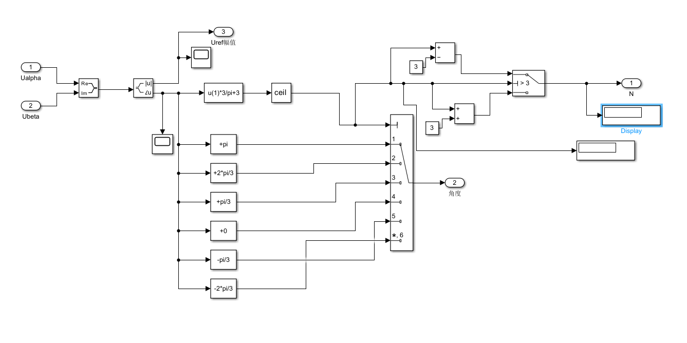
大扇区判断
首先内部视作一个黑匣子,它的输入是α轴分量Ualpha和β轴分量Ubelta,输出是大扇区序号N,参考电压矢量幅值Uref,角度

角度u(1)的取值范围是-180°到180°,除以60°加3得到的范围是0-6,ceil向上取整得到[0,1,2,3,4,5,6](这个仿真模型中舍弃了0这个取值,我个人感觉是模型的一个Bug)

通过加3减3的方式,实现大扇区序号N的变换


输出的角度值为参考电压矢量和顺时针旋转遇到的第一个坐标轴的夹角


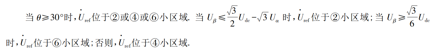
小区域判断

小区域的判断主要是依据下面这些不等式


k值为调制比(有的论文也定义为m)


仿真模型是按照左边定义小区域的,而大多数论文是按照右边定义小区域的,使用这个仿真模型不要混淆了
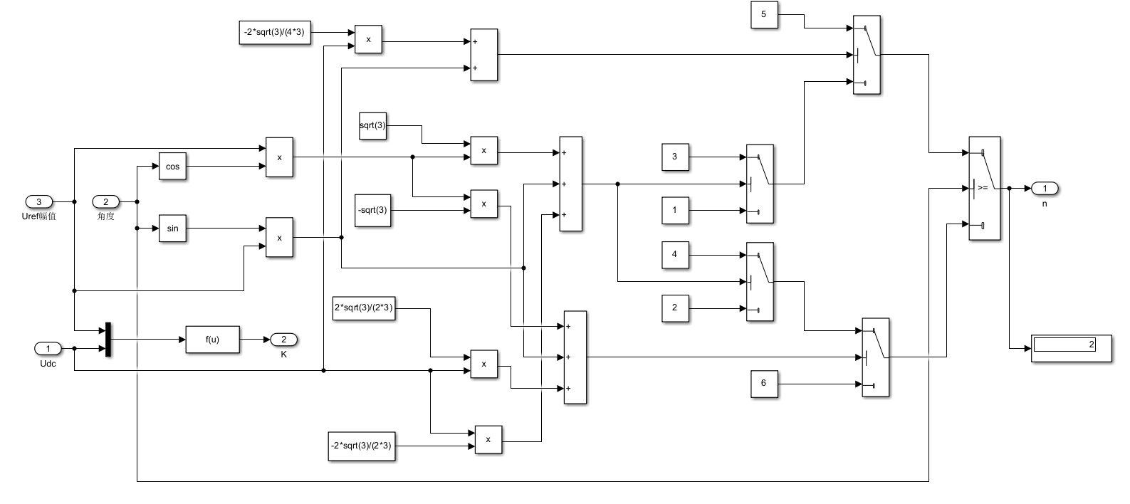
计算基本电压矢量作用时间

不同小区域所使用的基本电压矢量是不一样的,具体的基本电压矢量的作用时间推导可以见下面论文的第三十页
计算得到基本电压矢量的作用时间所对应的电压矢量如下图所示

确定基本电压矢量的作用顺序
确定基本电压矢量的作用书序顺序有哪些原则

原则1的解释:POP->POO只有第三位发生变化,这样是可以减少开关损耗的
原则2的解释:我也不明白,我知道对称的开关信号对EMI性能是好的
所以不同的小区域的开关信号序列就是固定的,就会按照下面的导通顺序

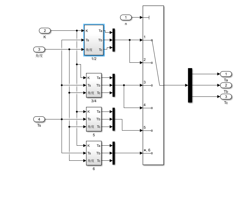
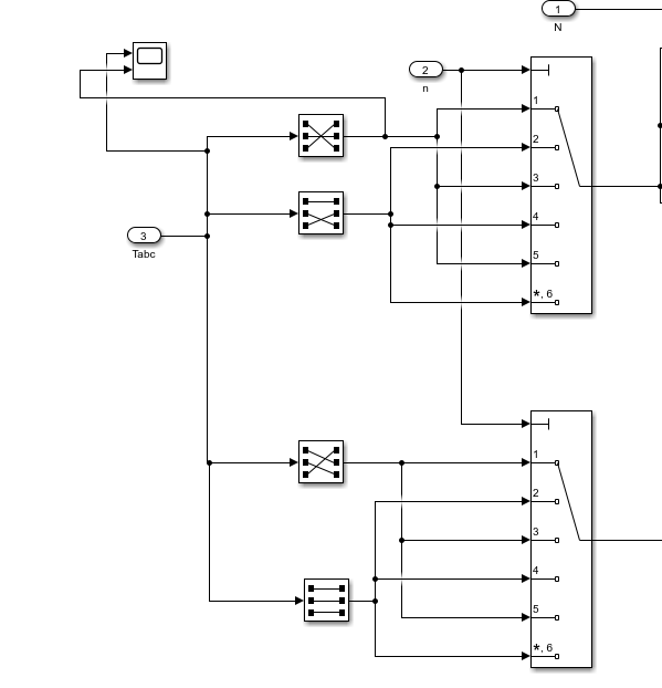
作用时间和矢量作用顺序对应

为什么要进行基本电压矢量作用时间和矢量作用顺序对应呢,以第一扇区第一小区域为例,我们计算得到的基本电压矢量作用时间为Ta,他对应的开关状态是(110)或者(00-1),但是我们看第一小区域的开关作用顺序(0-1-1)->(00-1)->(000)->(100)->(0-1-1)->(00-1)->(000),Ta却是第二个起作用的,所以我们要重新排序让基本电压矢量作用时间和作用顺序对应起来

因为这个模型的小区域1和2是反着的,所以下面的仿真选择模块

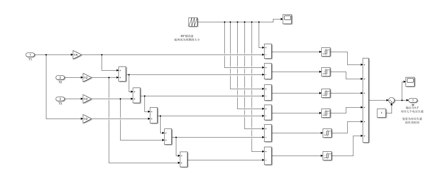
七段式化生成阶梯图

这里之后输出的是幅值从1到7的楼梯波,如下图所示

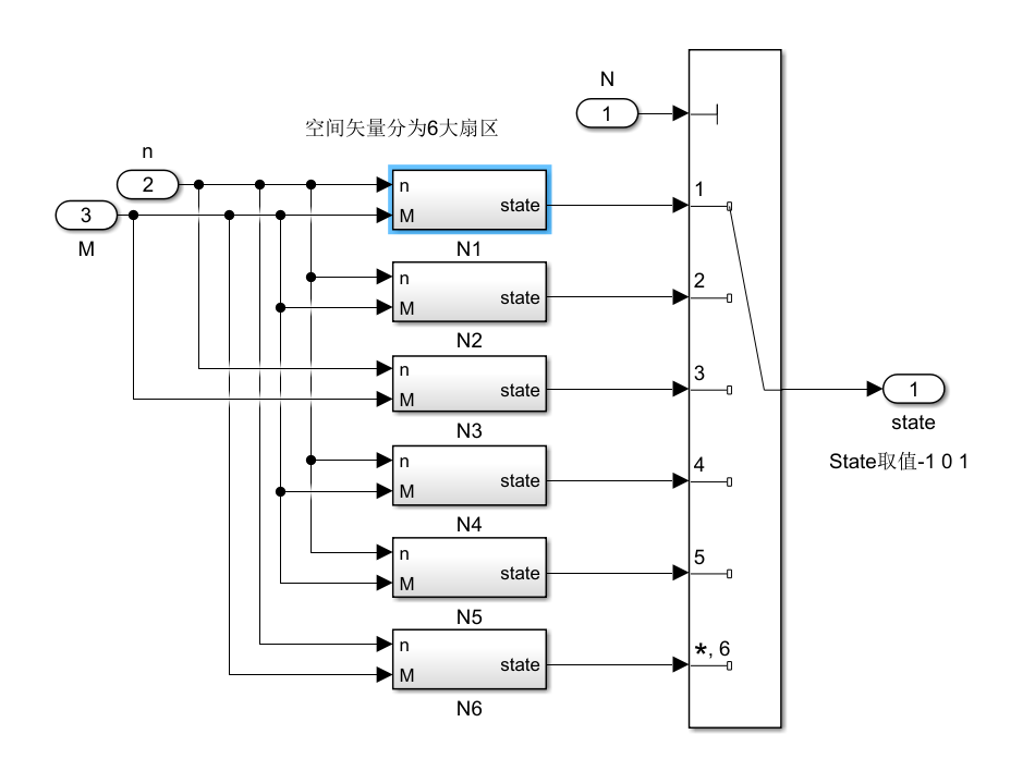
矢量状态分布

现在把带着时间信息的楼梯波传入,再按照不同扇区不同小区域的开关作用序列波形
不同扇区不同小区域的开关作用序列如下


本人学习过程中提出的问题和解释
SVPWM调制实现了什么功能
SVPWM本质是一种算法,通过这种算法可以得到开关管的导通状态,实现能耗,EMI方面的优秀表现
SVPWM的算法步骤是什么流程
克拉克变换
大扇区判断
小区域判断
计算基本电压矢量作用时间
确定基本电压矢量的作用顺序
七段式化生成阶梯图
矢量状态分布
基本电压矢量作用时间得到的时间对应什么
为什么要确定基本电压矢量的作用顺序
因为判断完参考电压矢量位于哪个大扇区和小扇区之后,那么他的开关顺序就是确定的
三相合成电压矢量为什么要乘以三分之二
克拉克变换的等幅值变换

下图中进行时间进行交换的原因是什么

仿真模型中T1,T2,T3代表什么意思
已经排列好的基本电压矢量
基本电压矢量的作用时间是怎么转换为开关状态作用的时间的
在不同的扇区,基本电压矢量的作用顺序是不一样的,将基本电压矢量的作用顺序重新排序之后,这个时候T1代表的就不是开关状态1作用的时间,就直接可以使用七段式

大扇区判断得到的角度范围是多少
负180到正180
为什么小扇区判断的输入变量含有一个常量值Udc
因为小扇区编号的判断是需要Udc的

参考电压矢量对应现实拓扑中的什么器件
参考电压矢量对应要实现的正弦电压输出的电压大小和相位信息
优化开关状态组合什么意思
SVPWM只是去确定开关状态的切换,寻找出来一个最优的路径,如果你已经得到了这个最优路径,就不再需要SVPWM的使用
基本空间电压矢量代表的是什么
基本电压矢量和三相工作过程中的开关状态是一对一对应的


比如基本空间向量(111)就是ABC三相都是按照Sk=1运行的
参考电压矢量代表的是什么
参考电压矢量实际上就是当前系统运行的位置
27种开关状态怎么只对应19个空间矢量
有八种电压矢量被抛弃了

算法中的变量和实际的物理量中间的联系是什么
SVPWM的波形生成过程为什么是马鞍波和三角波的交点
马鞍波实际是正弦波和三次谐波的叠加。注入三次谐波的原因是提高母线电压利用率(就是输出电压最大值和输入电压的比值),同时三相系统的三次谐波会互相抵消,输出的电压依旧是正弦波
T型三电平的输入电压波形为马鞍波,H桥的输出电压波形为正弦波
调制波是怎么通过载波传递的,传递之后经过LC或者LCL滤波的数学方程
分析SVPWM和SPWM这种算法的流程是什么样子的
无论是SVPWM还是SPWM,本质上节点输出电压是正弦波序列,正弦波序列经过LCL滤波就得到纯正的正弦波。如何通过正弦波序列得到开关的顺序和开关时间,就是SVPWM和SPWM算法所要去解决的

T型三电平的节点输出电压波形是什么样子的

T型三电平的SPWM调制是怎么确定开关管的工作顺序和时间
开关管搭配的输出电压有三个状态,正电压模态,负电压模态,零电压模态,如果想要输出正电压,那么就需要正电压模态的PWM波,如果想要输出负电压,那么就需要负电压模态的PWM波形。
开关管工作的时间完全是根据调制波和载波的交点
T型三电平的SVPWM调制是怎么确定开关管的工作顺序和工作时间的
七段式SVPWM和五段式SVPWM是怎么工作的
七段式和五段式的七和五是每个PWM周期的组成段数,不同发波方式对应的损耗和谐波分量是不一样的
什么叫做每个PWM周期 就是三相逆变器的开关周期时间,在整个开关周期之内也确保三个基本电压矢量的分段作用
三个电压矢量的作用时间是一样的吗
三个基本电压矢量的作用时间是不一样的,但是为了保证对称所以要保证均分
空间向量是怎么进行定义的
六边形的坐标系是α和β坐标系,α被定义为三相电机定子的A相方向
如果把SVPWM算法比做一个黑匣子的话,那么他的输入输出是什么东西
输入的就是一个匀速旋转的空间矢量,输出就是开关管的开关状态和开关顺序

这一点我有更好的图形解释
