D55126漏电保护器芯片深度解析:紧凑型SOP8封装的高性能解决方案
产品概述
D55126是一款高性能CMOS漏电保护器专用集成电路,采用紧凑的SOP8封装。该芯片集成了完整的漏电保护功能模块,包括稳压电源、信号放大、比较器、延时电路和跳闸驱动等,专为检测A型和AC型漏电信号设计,适用于110V~220V(50~60Hz)交流供电系统。
核心性能参数
-
驱动特性:
-
直接驱动SCR,输出脉宽典型值35ms(最小值28ms)
-
OS引脚输出驱动能力:2.0mA(高电平),低电平最大0.2V(50mA负载时)
-
-
检测灵敏度:
-
正/负动作电压(VPT/VNT):4.0-5.2mV
-
可检测直流、AC型和A型(含0°、90°和135°)漏电信号
-
-
电源特性:
-
工作电压:4.6-4.9V(典型4.8V)
-
电源电流:最大2.8mA(5V供电时)
-
-
环境适应性:
-
工作温度范围:-40~+105℃(更宽于D55127的-20~+85℃)
-
存储温度:-55~+150℃
-

-
引脚配置与功能
| 引脚 | 名称 | 功能描述 |
|---|---|---|
| 2 | OPI+ | 信号放大器正向输入端 |
| 3 | OPI- | 信号放大器反向输入端 |
| 4 | VSS | 接地 |
| 5 | OS | 跳闸信号输出,驱动SCR |
| 6 | DLY | 外接电容调整延迟时间 |
| 8 | VDD | 电源输入(4.6-4.9V) |
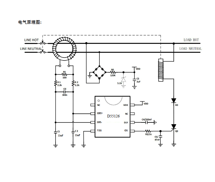
典型应用电路分析
从电气原理图可见典型应用包含:

-
信号输入:通过零电流互感器(ZCT)检测漏电信号
-
RC网络:
-
C0(330nF)、R1(2.2kΩ)构成输入滤波
-
C4(330nF)、R3(1kΩ)组成输出延时
-
-
电源滤波:C3(2μF)确保电源稳定
-
保护元件:压敏电阻等外围保护器件
关键设计考量
-
延时特性:
-
通过DLY引脚(6脚)外接电容可调整动作延时
-
典型锁存时间35ms,确保可靠触发
-
-
EMC设计:
-
内置噪声抑制电路
-
建议在OPI+/OPI-输入端添加22nF滤波电容(C1,C2)
-
-
极限参数:
-
任何引脚对地电压不得超过-1.0~+7.0V
-
最大工作电压8.5V
-
最大工作电流8mA
-
封装与生产信息
-
封装规格:SOP8
-
尺寸:4.78-5.00mm(D)×3.8-4.0mm(E)
-
引脚间距:1.27mm(BSC)
-
-
包装方式:
-
100只/管
-
4000只/盘
-
-
标识信息:CHMC D55126 SXXXX(周号)
与D55127的对比优势
-
更宽温度范围:-40~+105℃ vs -20~+85℃
-
更紧凑封装:SOP8 vs SOP14,节省PCB空间
-
更长驱动脉宽:35ms vs 20ms,确保可靠触发
-
更高性价比:相同功能下引脚数减少43%
设计建议
-
严格按照推荐值选择DLY引脚的外接电容
-
OPI+和OPI-输入端建议采用对称布局
-
电源引脚必须就近放置滤波电容
-
OS引脚驱动SCR时需考虑足够电流裕量
结语
D55126以其紧凑的SOP8封装、更宽的工作温度范围和优异的性能参数,为空间受限的漏电保护应用提供了理想解决方案。其35ms的固定输出脉宽和4.0-5.2mV的高灵敏度检测能力,确保了在各种环境下的可靠保护。
