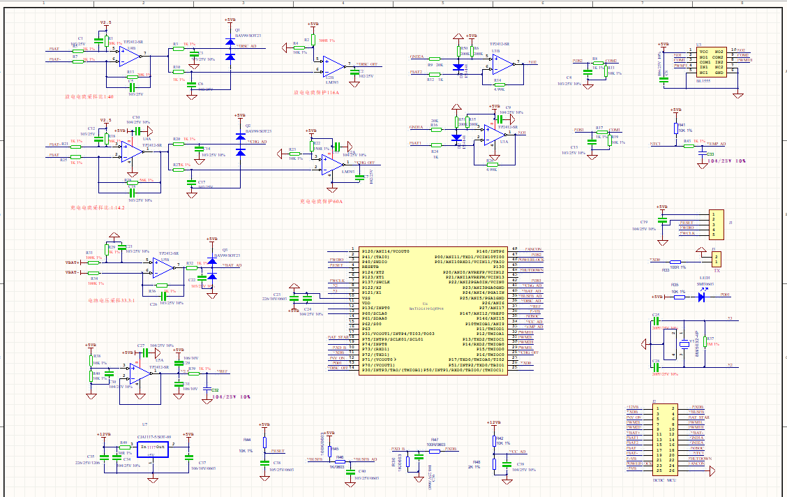
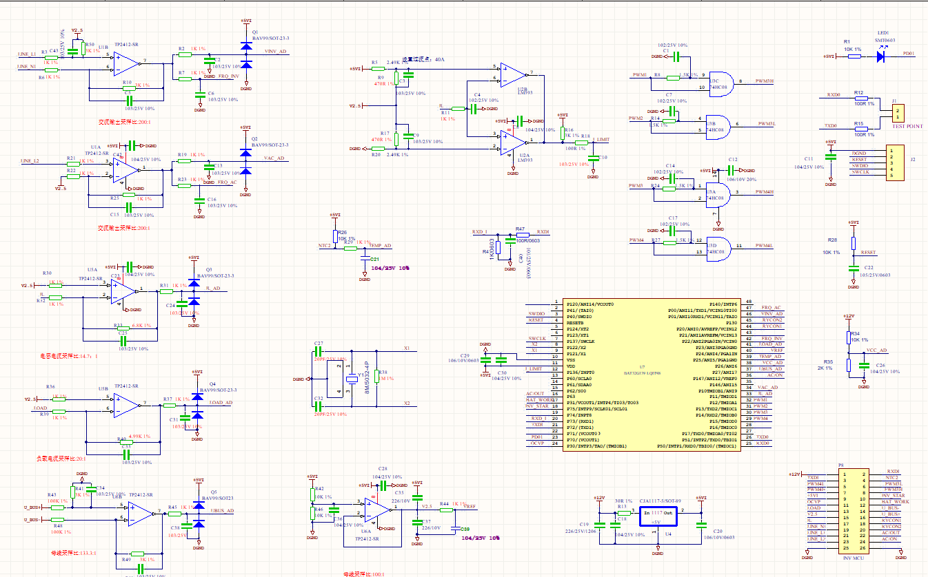
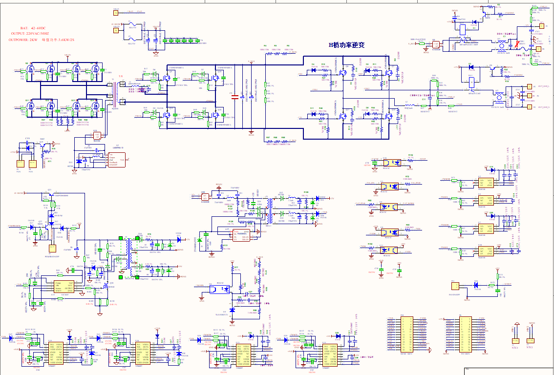
当前位置: 首页 > news >正文 48V/2kW储能电源纯正弦波逆变器详细设计方案-可量产 news 2025/10/15 15:04:57 48V/2kW储能电源纯正弦波逆变器详细设计方案 1.后级驱动电路图 2.前级驱动电路图 3.功率表电路原理图 4.功率板BOM: 5.后级驱动BOM 6.前级驱动BOM 查看全文 http://www.dtcms.com/a/132976.html 相关文章: 【7】深入学习Buffer缓冲区-Nodejs开发入门 CS5346 - Annotation in Visualization (可视化中的注释) 【Python爬虫】简单案例介绍3 详细解读 box-sizing: border-box; 大模型——Crawl4AI入门指南 【高性能缓存Redis_中间件】三、redis 精通:性能优化与生产实践 从零开始:前端开发者的SEO优化入门与实战 如何在服务器上搭建mail服务器邮件服务器 obsidian写文章的图床设置方法 应用分享:基于 Grounding DINO 的智能膳食助手如何推进健康信息学发展 Qt样式表(窗口、按钮之类,有图片和代码详细注释) Windows单机模拟MySQL主从复制 Spring MVC 全栈指南:RESTful 架构、核心注解与 JSON 实战解析 什么是Lodash Linux 常用命令 - ip 【显示和配置网卡参数】 【深度学习】自定义实现DataSet和DataLoader zlm启用webrtc交叉编译指南 [免费]SpringBoot+Vue外卖(点餐)平台系统【论文+源码+SQL脚本】 「出海匠」借助CloudPilot AI实现AWS降本60%,支撑AI电商高速增长 鸿蒙开发-动画 C++核心机制-this 指针传递与内存布局分析 读者、写者问题优化 在AMGCL中使用多个GPU和多个计算节点求解大规模稀疏矩阵方程 JVM考古现场(十九):量子封神·用鸿蒙编译器重铸天道法则 智能合约安全审计平台——以太坊虚拟机安全沙箱 Font Maker的成功之路:产品迭代与创新营销助力增长 国达陶瓷重磅推出陶瓷罗马柱外墙整装尖端新产品“冠岩臻石” Profibus DP主站转modbusTCP网关与dp从站通讯案例 在vue项目中package.json中的scripts 中 dev:“xxx“中的xxx什么概念 爬虫:一文掌握 curl-cffi 的详细使用(支持 TLS/JA3 指纹仿真的 cURL 库)
48V/2kW储能电源纯正弦波逆变器详细设计方案 1.后级驱动电路图 2.前级驱动电路图 3.功率表电路原理图 4.功率板BOM: 5.后级驱动BOM 6.前级驱动BOM 查看全文 http://www.dtcms.com/a/132976.html 相关文章: 【7】深入学习Buffer缓冲区-Nodejs开发入门 CS5346 - Annotation in Visualization (可视化中的注释) 【Python爬虫】简单案例介绍3 详细解读 box-sizing: border-box; 大模型——Crawl4AI入门指南 【高性能缓存Redis_中间件】三、redis 精通:性能优化与生产实践 从零开始:前端开发者的SEO优化入门与实战 如何在服务器上搭建mail服务器邮件服务器 obsidian写文章的图床设置方法 应用分享:基于 Grounding DINO 的智能膳食助手如何推进健康信息学发展 Qt样式表(窗口、按钮之类,有图片和代码详细注释) Windows单机模拟MySQL主从复制 Spring MVC 全栈指南:RESTful 架构、核心注解与 JSON 实战解析 什么是Lodash Linux 常用命令 - ip 【显示和配置网卡参数】 【深度学习】自定义实现DataSet和DataLoader zlm启用webrtc交叉编译指南 [免费]SpringBoot+Vue外卖(点餐)平台系统【论文+源码+SQL脚本】 「出海匠」借助CloudPilot AI实现AWS降本60%,支撑AI电商高速增长 鸿蒙开发-动画 C++核心机制-this 指针传递与内存布局分析 读者、写者问题优化 在AMGCL中使用多个GPU和多个计算节点求解大规模稀疏矩阵方程 JVM考古现场(十九):量子封神·用鸿蒙编译器重铸天道法则 智能合约安全审计平台——以太坊虚拟机安全沙箱 Font Maker的成功之路:产品迭代与创新营销助力增长 国达陶瓷重磅推出陶瓷罗马柱外墙整装尖端新产品“冠岩臻石” Profibus DP主站转modbusTCP网关与dp从站通讯案例 在vue项目中package.json中的scripts 中 dev:“xxx“中的xxx什么概念 爬虫:一文掌握 curl-cffi 的详细使用(支持 TLS/JA3 指纹仿真的 cURL 库)