当前位置: 首页 > news >正文

门极驱动器DRV8353M设计(三)

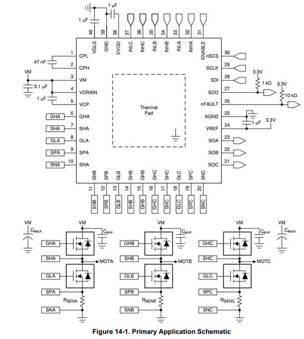
14  应用和实现

这个章节是给出的参考设计规范,如下图所示。

        很多朋友选择直接照抄官方给出的原理图,认为官方给出的是最优值。但是仔细看一下TI给出的公告声明。TI不对该设计授权,也不保证原理图的完整性。需要工程师根据需求自行设计并验证。

这并不表明参考是一无是处的。TI给出一些基本计算选型在设计中还是有一定帮助的。

              目前为止,整个DRV8353M系列的芯片原理基本讲解完毕。剩下的还有软件编程、外围电路设计。

软件编程:DRV8353的SPI通信协议的编写、寄存器的配置、以及诊断保护机制处理。这些特性参数在编程的时候进行讲解。

硬件设计:每个Pin的外围电路搭建及电气参数。PCB layout注意事项(比如特殊走线、焊盘设计等)、热设计(这里主要考虑的是结温)。这些在硬件电路绘制的时候讲解。

        本篇博客作为一个过渡性章节,下一步开始着手DRV8353M的外围电路设计。

http://www.dtcms.com/a/132184.html

相关文章:

  • OpenCV中的轮廓检测方法详解
  • OpenCV day2
  • 无人船 | 图解基于视线引导(LOS)的无人艇制导算法
  • OpenAI为抢跑AI,安全底线成牺牲品?
  • CA证书的申请及使用流程
  • 记录:安装 Docker Desktop 时直接设置安装路径及容器存储路径
  • 思维与算法共舞:AIGC语言模型的艺术与科学
  • 人力不足导致项目延期,如何补救
  • 【教学类-102-11】蝴蝶外轮廓01——Python对黑白图片进行PS填充三种颜色+图案描边+图案填充白色+制作1图2图6图24图
  • 如何在Linux系统中安装Vue环境
  • MyBatis-Plus快速入门
  • CVPR‘25 SOTA——GoalFlow论文精读
  • Linux环境下Swap配置方法与技巧
  • InnoDB 底层原理
  • Loop(循环)和Cycle(环)-《分析模式》漫谈55
  • 【笔记ing】AI大模型-05单层感知机与多层感知机
  • 周末学习笔记:Python文件操作(结构化数据转换与文件处理)
  • 算法:有一个整数数组,长度为n。她希望通过一系列操作将数组变成一个回文数组。
  • Domain Adaptation领域自适应
  • Java多态课堂练习题
  • ​‌FireCrawl‌爬虫工具​, Craw4ai
  • 算法思想之模拟
  • LaTeX 的pstricks-add宏绘图练习
  • SJ7W5(四角号码7万五千字)取码细则V2
  • AWS Redshift的使用场景及一些常见问题
  • vue+flask+GNN+neo4j图书知识图谱推荐系统
  • 【SQL】COUNT... FILTER 的适用场景
  • 大模型在直肠癌诊疗全流程预测及应用研究报告
  • 已开源!CMU提出NavRL :基于强化学习的无人机自主导航和动态避障新方案
  • Threejs 奇幻几何体:边缘、线框、包围盒大冒险