当前位置: 首页 > news >正文

【S32M244 RTD200P04 LLD篇8】S32M244 PWM ADC LLD demo

【S32M244 RTD200P04 LLD篇8】S32M244 PWM ADC LLD demo

  • 一,文档简介
  • 二,PWM+TRGMUX+PDB+ADC 2ch 软件配置与实现
    • 2.1 软硬件版本平台
    • 2.2 Demo CT 模块配置
      • 2.2.1 引脚配置
      • 2.2.2 时钟配置
      • 2.2.3 外设配置
    • 2.3主程序调用情况
  • 三, 测试结果

一,文档简介

S32M2XX系列是专门为电机控制而生的MCU系列:
S32M24X,延续S32K14X系列MCU,添加了AE预驱模块。
S32M27X,延续了S32K3系列MCU,添加了AE预驱模块。
NXP官方提供了S32M24X和S32M27X系列的EVB,可以配合一个三相PMSM/BLDC电机,实现单电阻电流采样方式的电机控制。研究电机控制的必经之路是要懂得怎么去控制PWM,实现在特定时刻采集电流,电压信号,并且经过计算再回调PWM控制。本文将基于S32M24X-EVB:
https://www.nxp.com/design/design-center/development-boards-and-designs/S32M24XEVB
讲解如何实现在S32M244上,输出带有死区的互补PWM,并且使用FTM_INT作为触发信号,通过PDB延迟触发ADC采样,将ADC采集的值通过UART打印到PC串口,另外通过TRGMUX模块实现不同模块的相互连接,比如FTM和PDB,还有将信号通过TRGMUX_OUT引脚输出。实现的框图结构如下:
(1)PWM+TRGMUX+PDB+ADC 单通道
配套附件代码:S32M244_FTM_TRGMUX_PDB_ADC_RTD200_P04

在这里插入图片描述

图 1

(2)PWM+TRGMUX+PDB+ADC 双通道
配套附件代码:S32M244_FTM_TRGMUX_PDB_ADC2ch_RTD200_P04_20k
在这里插入图片描述

图 2

这里讲解主要基于2通道ADC采样的demo,因为单通道的demo完全可以在2通道的基础上做裁剪,单通道的原则是分享代码。其实本文的主要目的是分享小编自己做的demo,如果熟悉电机控制的,也可以直接参考官方S32M244电机控制demo自行去做。

二,PWM+TRGMUX+PDB+ADC 2ch 软件配置与实现

2.1 软硬件版本平台

硬件:S32M244-EVB
软件:

  • S32DS : S32DS.3.5_b220726_win32.x86_64.exe Update 4 for
  • S32DS:SW32_S32DS_3.5.4_D2307.zip Development package for S32K1XX:
  • SW32K1_S32DS_3.5.4_D2307.zip Development package for S32M2XX:
  • SW32M2xx_S32DS_3.5.0_D2303.zip
  • RTD:
    S32K1_S32M24X Real Time Drivers AUTOSAR 4.4 & R21-11 Version 2.0.0
    S32K1_S32M24X Real Time Drivers AUTOSAR R21-11 Version 2.0.0 P04
  • S32M24x_AMMCLIB_RTM_1_1_39_BIN
  • S32M24XEVB Evaluation Board Motor
  • Control Application Software : S32M24XEVB-SW.exe
  • FreeMASTER tool 3.2 : FMASTERSW32.exe

这里的软件平台是能够让电机demo都运行起来的这个平台, 如果不需要电机,只需要装S32DS, update,development,RTD即可。
具体的软件链接,建议直接到官网对应软件下载的地方去搜索下载对应版本即可。

2.2 Demo CT 模块配置

首先新建一个S32M244 S32DS 的工程, 然后再去配置引脚,时钟,和外设模块。对于外设主要设计几个模块:Adc_Ip, Ftm_Pwm, Pdb_Adc_Ip, Trgmux_Ip,Lpuart_Uart, Port_Ip

2.2.1 引脚配置

用到的引脚有如下情况:
在这里插入图片描述

图 3

两个FTM引脚是用于输出带有死区的一对互补PWM。ADC是用来采集板载的可调电位器电压,LPUART用来打印信息, TRGMUX相关引脚是用来输出相关测试信号。

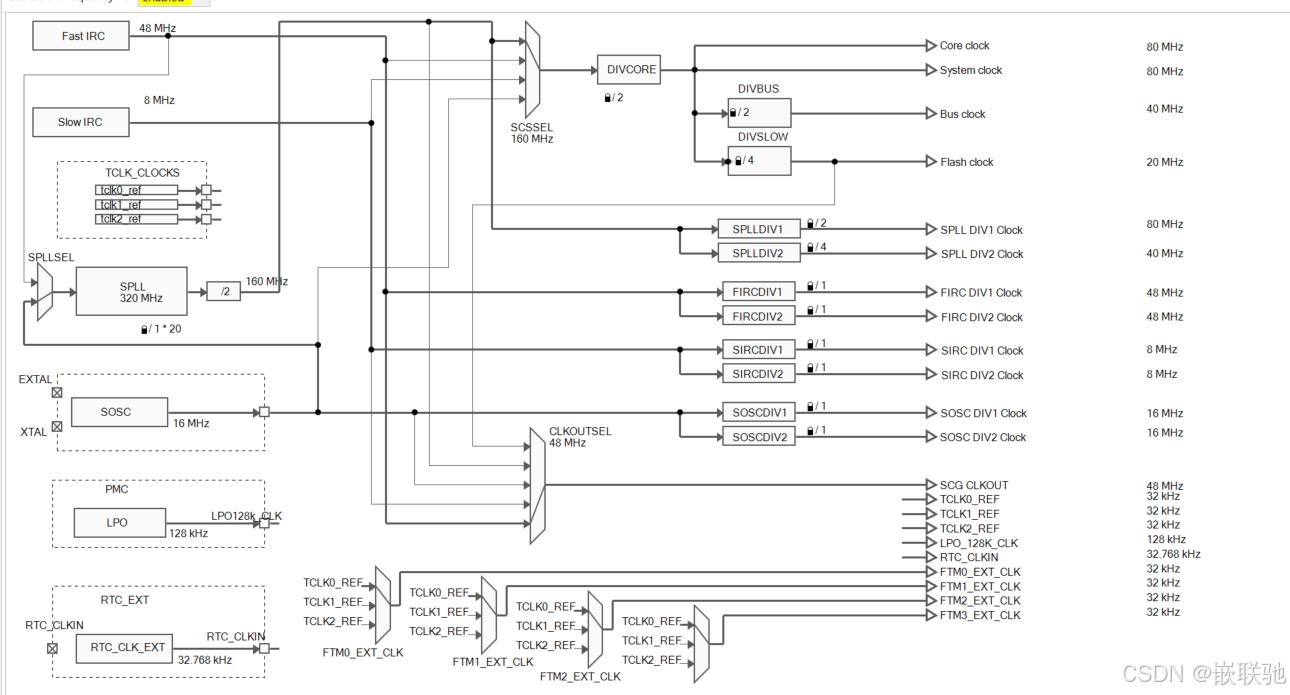
2.2.2 时钟配置

时钟这里需要关注的是:主频时钟,FTM时钟,UART时钟,ADC时钟。

在这里插入图片描述

图 4

在这里插入图片描述

图 5

2.2.3 外设配置

使用到的外设情况如下:

在这里插入图片描述
在这里插入图片描述

图 6

(1)Port_Ip_1
讲port的配置,主要是Pcr值的设置原则。
在这里插入图片描述

图 7

PortPinPcr = PinId + PortId∗32
PortId:A=0,B=1,C=2,D=3,E=4;
PinId就是对应的引脚在port中的号。
上图中,FTM0_CH0是PTC0,则:
PortPinPcr = PinId(0) + PortId(2)∗32=64

(2)Ftm_Pwm模块配置
在这里插入图片描述

图8

在这里插入图片描述

图 9

(3)Adc_Ip模块
在这里插入图片描述

图 10

(4)Pdb_Adc_Ip
在这里插入图片描述

图 11

在配置PDB延迟的时候,需要注意,要考虑ADC转换时间,如果一个没转换完,又来一个触发会造成PDB触发时序出错问题。
(5)Trgmux_Ip
在这里插入图片描述

图 12

这里面包含两部分:FTM连接PDB,还有就是测试信号连接到TRGMUX_OUT输出。
(6)Lpuart_Uart
用于将信号通过printf输出到PC串口终端
在这里插入图片描述

图13

2.3主程序调用情况

配置完成之后,可以通过在main中调用如下代码实现PWM触发PDB采集ADC双通道的情况,PWM可以输出互补信号,并且还可以实现相关的触发信号通过TRGMUX_OUT引脚输出:

#include "Mcal.h"
#include "Port_Ci_Port_Ip.h"
#include "Gpio_Dio_Ip.h"
#include "Clock_Ip.h"
#include "Lpuart_Uart_Ip.h"
#include "string.h"
#include "stdio.h"
#include "retarget.h"
#include "Ftm_Pwm_Ip.h"
#include "Ftm_Pwm_Ip_HwAccess.h"
#include "IntCtrl_Ip.h"
#include "Adc_Ip.h"
#include "Pdb_Adc_Ip.h"
#include "Trgmux_Ip.h"

#define PTD1_PORT    IP_PTD
#define PTD1_PIN     1U
#define LED_PORT     IP_PTE
#define LED_PIN      15U
#define INST_LPUART  (0U)
#define INST_FTM0	 (0U)

#define WELCOME_MSG_1 "Hello, This message is sent via Uart!\r\n"
volatile Lpuart_Uart_Ip_StatusType lpuartStatus = LPUART_UART_IP_STATUS_ERROR;
uint32 remainingBytes;
uint32 T_timeout = 0xFFFFFF;

uint16 pwmCycleCnt = 0,cntflag = 0,pwmCycleCnt1 = 0, ADCIsrDone = 0;
volatile boolean notif_triggered = FALSE;
volatile uint16 data;
volatile uint16 data2ch[2];
volatile int exit_code = 0;
/* User includes */
void TestDelay(uint32 delay);
void TestDelay(uint32 delay)
{
   static volatile uint32 DelayTimer = 0;
   while(DelayTimer<delay)
   {
       DelayTimer++;
   }
   DelayTimer=0;
}
__attribute__((section (".ramcode")))
void PDB1_SequenceErrorNotif(uint8 ChanIdx, uint16 SeqErrMask)
{
	// Read ADCs Results registers to unlock PDB pre-triggers lock states
	if (Adc_Ip_GetConvActiveFlag(ADCHWUNIT_0_INSTANCE)){}

	Adc_Ip_GetConvData(ADCHWUNIT_0_INSTANCE, 0);
	Adc_Ip_GetConvData(ADCHWUNIT_0_INSTANCE, 1);
	Ftm_Pwm_Ip_SetInitTriggerCmd(IP_FTM0, true);

	/* Unused parameter */
	(void)(ChanIdx);
}

__attribute__((section (".ramcode")))
void FTMReloadNotif(void)
{
	pwmCycleCnt ++;
}

__attribute__((section (".ramcode")))
void ADC1_ConversionCompleteNotif(const uint8 ControlChanIdx)
{
	(void)(ControlChanIdx);
    notif_triggered = TRUE;
    data2ch[0] = Adc_Ip_GetConvData(ADCHWUNIT_0_INSTANCE, 0);
    data2ch[1] = Adc_Ip_GetConvData(ADCHWUNIT_0_INSTANCE, 1);

}

int main(void)
{
    Adc_Ip_StatusType adcStatus;

	Clock_Ip_Init(&Clock_Ip_aClockConfig[0]);
	Port_Ci_Port_Ip_Init(NUM_OF_CONFIGURED_PINS_BOARD_InitPins, g_pin_mux_InitConfigArr_BOARD_InitPins);
	IntCtrl_Ip_Init(&IntCtrlConfig_0);
	Lpuart_Uart_Ip_Init(INST_LPUART, &Lpuart_Uart_Ip_xHwConfigPB_0);

    /**** Part 1: Start ADC software trigger conversions ****/
    Adc_Ip_Init(ADCHWUNIT_0_INSTANCE, &AdcHwUnit_0);

    adcStatus = Adc_Ip_DoCalibration(ADCHWUNIT_0_INSTANCE);
    while (adcStatus != ADC_IP_STATUS_SUCCESS)
    {
        adcStatus = Adc_Ip_DoCalibration(ADCHWUNIT_0_INSTANCE);
    }
#if 1
    /* Start a software trigger conversion */
    Adc_Ip_StartConversion(ADCHWUNIT_0_INSTANCE, ADC_IP_INPUTCHAN_EXT11, TRUE);
    /* Wait for the notification to be triggered and read the data */
    while (notif_triggered != TRUE);
    notif_triggered = FALSE;

    /* Start a software trigger conversion */
    Adc_Ip_StartConversion(ADCHWUNIT_0_INSTANCE, ADC_IP_INPUTCHAN_BANDGAP, TRUE);
    /* Wait for the notification to be triggered and read the data */
    while (notif_triggered != TRUE);
    notif_triggered = FALSE;

#endif
	if (Adc_Ip_GetConvActiveFlag(ADCHWUNIT_0_INSTANCE)){}
	Adc_Ip_GetConvData(ADCHWUNIT_0_INSTANCE, 0);
	Adc_Ip_GetConvData(ADCHWUNIT_0_INSTANCE, 1);

    /**** Part 2: Start ADC hardware trigger conversions ****/
    Adc_Ip_SetTriggerMode(ADCHWUNIT_0_INSTANCE, ADC_IP_TRIGGER_HARDWARE);

    Trgmux_Ip_Init(&Trgmux_Ip_xTrgmuxInitPB);
	/* Initialize PWM driver */
	Ftm_Pwm_Ip_DisableNotification(INST_FTM0, FTM_PWM_IP_OVERFLOW_NOTIFICATION);
	Ftm_Pwm_Ip_EnableNotification(INST_FTM0, FTM_PWM_IP_RELOAD_POINT_NOTIFICATION);
	Ftm_Pwm_Ip_Init(INST_FTM0, &Ftm_Pwm_Ip_UserCfg0);

	Pdb_Adc_Ip_Init(PDBHWUNIT_0_INSTANCE, &PdbHwUnit_0);
	Ftm_Pwm_Ip_SetInitTriggerCmd(IP_FTM0, true);

    printf("S32M244 FTM TRIGMUX ADC demo RTD200P04.\r\n");

      for(;;)
       {
	printf("pwmCycleCnt = %d \r\n",(int)pwmCycleCnt);
        Gpio_Dio_Ip_WritePin(LED_PORT, LED_PIN, 1U);
        TestDelay(480000);
        Gpio_Dio_Ip_WritePin(LED_PORT, LED_PIN, 0U);
        TestDelay(480000);

        while (notif_triggered != TRUE);
        notif_triggered = FALSE;
        printf("adc1_bandGap = %d \r\n",(int)data2ch[0]);
        printf("adc1_SE11 = %d \r\n",(int)data2ch[1]);
        if((pwmCycleCnt > 30000) && (cntflag==0))
        {
        	cntflag = 1;
        	Ftm_Pwm_Ip_UpdatePwmDutyCycleChannel(INST_FTM0,0,1000,TRUE);

        }
        else if((pwmCycleCnt < 30000) && (cntflag==1))
        {
        	cntflag = 0;
        	Ftm_Pwm_Ip_UpdatePwmDutyCycleChannel(INST_FTM0,0,3000,TRUE);
        }

    }
    return (0U);
}

三, 测试结果

测试结果包括两部分:打印结果看ADC采样值情况,以及PWM输出和PDB触发位置的关系情况。打印结果如下,可以看到ADC的两个通道的值是正确的:
在这里插入图片描述

图 14

PWM波形测试情况如下:
CH1: PTC0
CH2: PTC1
CH3: PTD0
CH4: PTD1
CH5: PTE11
在这里插入图片描述

图 15
文档配套代码链接: [https://community.nxp.com/t5/S32M-Knowledge-Base/S32M24x-S32K14x-gt-FTM-Complementary-mode-and-dead-time/ta-p/1980586](https://community.nxp.com/t5/S32M-Knowledge-Base/S32M24x-S32K14x-gt-FTM-Complementary-mode-and-dead-time/ta-p/1980586)
http://www.dtcms.com/a/117115.html

相关文章:

  • (蓝桥杯)动态规划蓝桥杯竞赛指南:动态规划解决最少钞票数问题(超详细解析+代码实现)
  • LabVIEW 开发如何降本增效
  • 数据库分表算法详解:原理、实现与最佳实践
  • FPGA状态机设计:流水灯实现、Modelsim仿真、HDLBits练习
  • FogFL: Fog-Assisted Federated Learning for Resource-Constrained IoT Devices
  • 车载联网终端4G汽车TBOX介绍定义与概述
  • Oracle迁移翻车,数据校验没做好...
  • 前端工具方法整理
  • Redis持久化之AOF
  • 百度的deepseek与硅基模型的差距。
  • 原理图输出网表及调入
  • 无耳 Solon AI v3.1.2 发布(兼容 Java 8 ~ 24),支持 SpringBoot2,jFinal,Vert.X 等第三方框架
  • 电池分选机:新能源时代的品质守护者|深圳比斯特自动化
  • 若依原理笔记
  • 8-运算符
  • Ubuntu16.04配置远程连接
  • java基础 数组Array的介绍
  • 版本控制工具——Git
  • 买不起了,iPhone 或涨价 40% ?
  • C++ 模板的应用——智能指针、STL库
  • MySQL学习笔记五
  • 电脑DNS出错无法打开网页
  • 笔记 2025/4/7
  • 构建一个最简单的UDP服务器和客户端并逐行解析
  • “暂不能解析域名”的错误的常见原因及解决方法
  • Spring Boot 项目日志系统全攻略:Logback、Log4j2、Log4j与SLF4J整合指南
  • Java中使用Function Call实现AI大模型与业务系统的集成​
  • SQL:数据类型(Data Types)
  • 懂x帝二手车数据爬虫-涉及简单的字体加密,爬虫中遇到“口”问题的解决
  • 可发1区的超级创新思路(python 实现):基于时空解耦和对比学习的可解释性模型