当前位置: 首页 > news >正文

蓝桥杯嵌入式16届 —— 按键模块

按键模块主要是注意短按、长按;

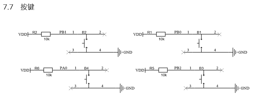
引脚状况

使用PA0、PB0、 PB1、PB2四个引脚;根据电路图可知:按下端口接地,所以我们要将端口设置成为上拉模式,只要按下即低电平;

STM32CubeMX

端口配置

 配置定时器TIM6

因为单纯计数我便使用最基础的定时器

 

 使能

代码部分

按键扫描有多种方法,我只用一种定时器扫描,在精不在多; 

记住回调函数在哪找,就不用背它;

头文件

#ifndef  _INTERRUPT_H_
#define  _INTERRUPT_H_
#include "stm32g4xx_hal.h"
#include "stdbool.h"
#include "stdint.h"
#include "main.h"

struct key
{
	bool key_status;//按键状态
	uint8_t counts;//按键计数
	bool shortsign;//短按
	uint8_t key_time;//按键时长
	bool longsign;//长按
};
void HAL_TIM_PeriodElapsedCallback(TIM_HandleTypeDef *htim);
#endif

 c文件部分

#include "interrupt.h"
#include "led.h"
#include "stdbool.h"

struct key key1[4]={0,0,0,0,0};

void HAL_TIM_PeriodElapsedCallback(TIM_HandleTypeDef *htim)
{
	if(htim->Instance == TIM6)
	{
		
		key1[0].key_status = HAL_GPIO_ReadPin(GPIOB,GPIO_PIN_0);
		key1[1].key_status = HAL_GPIO_ReadPin(GPIOB,GPIO_PIN_1);
		key1[2].key_status = HAL_GPIO_ReadPin(GPIOB,GPIO_PIN_2);
		key1[3].key_status = HAL_GPIO_ReadPin(GPIOA,GPIO_PIN_0);
		
	    for(uint8_t i=0;i<4;i++)
		{
			switch(key1[i].counts)
			{
				case 0:
				{
					if(key1[i].key_status == 0)key1[i].counts =1;
					
				}
				break;
				case 1:   使用case1消抖
				{
					if(key1[i].key_status ==0)
					{
						key1[i].counts =2;
						key1[i].key_time =0;
					}
					else key1[i].counts =0;
				}
				break;
				case 2:   
				{
					if(key1[i].key_status== 0)
					{
						key1[i].key_time++;
					}
					if(key1[i].key_status== 1)
					{
						key1[i].shortsign=1;
						key1[i].counts =0;
					}
					if(key1[i].key_status== 1 && key1[i].key_time > 70)
					{
						key1[i].longsign=1;
						key1[i].counts =0;
					}
				}
				break;
					
			}
		}
	}

}

main文件


#include "interrupt.h"
extern struct key key1[];
int main(void)
{


HAL_TIM_Base_Start_IT(&htim6);
while (1)
  { 
	 HAL_GPIO_WritePin(GPIOD,GPIO_PIN_2,GPIO_PIN_RESET);
	 char text[30];
	 sprintf(text,"   no dwon");
	 LCD_DisplayStringLine(Line4,(uint8_t *)text);
     
    /* USER CODE END WHILE */

    /* USER CODE BEGIN 3 */
	 if(key1[0].shortsign==1)
	 {
		sprintf(text,"   0  dwon");
		LCD_DisplayStringLine(Line5 ,(uint8_t *)text);
		key1[0].shortsign = 0;
	 }
	 if(key1[0].longsign ==1)
	 {
		sprintf(text,"   1  dwon");
		LCD_DisplayStringLine(Line5 ,(uint8_t *)text);
		key1[0].longsign = 0;
	 }

	 
  }
}

http://www.dtcms.com/a/116592.html

相关文章:

  • 数据库管理-第311期 不同数据库的存算分离有何不同(20250407)
  • 【Android Sdk】uiautomatorviewer.bats闪退问题如何解决?
  • C++标准库 —— round 函数用法详解
  • 【DeepSeek原理学习2】MLA 多头隐变量注意力
  • elasticSearch-搜索引擎
  • P2036 [COCI 2008/2009 #2] PERKET
  • 【Linux篇】基础IO - 揭秘重定向与缓冲区的管理机制
  • RFID警用装备柜|快速实现装备借出归还
  • 数学建模全解析-新能源汽车动力性与经济性优化
  • 关于Spring MVC中@RequestMapping注解的详细解析,涵盖其核心功能、属性、使用场景及最佳实践
  • [ctfshow web入门] web9
  • SQL121 创建索引
  • 机器学习核心概念、算法分类与应用场景全解析
  • Meta 最新发布的 Llama 4:多模态开源大模型全面解析
  • Spring MVC 的执行流程以及运行原理
  • 谷歌发布网络安全AI新模型Sec-Gemini v1
  • IPD项目管理软件:禅道与Asana的5个核心差异
  • 深入浅出Java 锁 | 源码剖析 | 万字解析
  • Vue3 实现进度条组件
  • Vue3全栈架构实战:Nuxt3服务端渲染与模块化设计深度剖析
  • 前端使用正则表达式提取经纬度 度分秒值
  • Linux命令之jq命令处理JSON数据
  • 【Linux】虚拟机设置静态IP
  • 【leetcode hot 100 763】划分字母区间
  • 【愚公系列】《高效使用DeepSeek》058-选题策划
  • real_time_camera_audio_display_with_animation
  • 华为OD机试2025A卷 - 正整数到excel编号之间的转换(Java Python JS C++ C )
  • 分布式微服务系统架构第97集:JVM底层原理
  • P1006 [NOIP 2008 提高组] 传纸条 题解
  • HTML5 浏览器兼容性:让旧浏览器也能拥抱 HTML5