当前位置: 首页 > news >正文

锂电池SOC估计EKF仿真模型

       一、介绍

     锂离子电池作为一种高效、安全、环保的储能器件,广泛应用于电动汽车、便携式电子设备、储能系统等领域。电池荷电状态(SOC)是反映电池剩余电量的关键指标,准确估计电池SOC对于电池管理系统(BMS)的优化控制、电池寿命预测、安全预警等至关重要。

本文将介绍一种基于扩展卡尔曼滤波(EKF)的锂电池SOC估计方法,并通过理论推导、算法实现和仿真验证,展示该方法在锂电池SOC估计方面的有效性和可行性。

1. 锂电池SOC估计模型

锂电池的SOC是一个状态变量,无法直接测量,需要通过其他可测量的变量进行估计。常见的估计方法包括开路电压法、安时积分法、库仑计数法等。然而,这些方法存在一些缺陷,例如精度不高、受温度影响较大等。

1.1 电池模型

为了建立准确的SOC估计模型,需要对锂电池的特性进行建模。常用的电池模型包括等效电路模型、电化学模型等。本文采用等效电路模型,该模型将电池简化为一个电压源、内阻和电容的组合。。

2. 扩展卡尔曼滤波(EKF)

扩展卡尔曼滤波是一种非线性滤波器,它能够在非线性系统中估计状态变量。EKF的基本思想是将非线性系统线性化,并利用卡尔曼滤波器进行状态估计。

2.1 EKF算法

EKF算法主要包括以下步骤:

2.2 EKF应用于SOC估计

将EKF应用于SOC估计,需要将电池模型与EKF算法结合。首先,将SOC作为状态变量,电池电流作为控制输入,电压作为测量值。然后,根据电池模型,可以得到状态方程和测量方程,并计算相应的雅可比矩阵。最后,利用EKF算法进行状态估计,从而得到SOC的估计值。

3. 仿真验证

为了验证EKF在SOC估计中的有效性,本文进行了一系列仿真实验。仿真参数根据实际锂电池数据设定,并模拟电池充放电过程。

3.1 仿真结果

仿真结果显示,EKF能够有效地估计SOC,其估计误差较小,能够满足实际应用需求。

3.2 分析

仿真结果表明,EKF算法能够有效地估计锂电池SOC,并具有以下优点:

精度较高: 与传统的安时积分法、库仑计数法相比,EKF能够有效地克服电池内阻变化、温度变化等因素的影响,提高SOC估计精度。

实时性强: EKF算法能够实时地估计SOC,能够满足电池管理系统的实时控制需求。

鲁棒性好: EKF算法能够适应不同的电池模型和工作条件,具有较好的鲁棒性。

4. 总结

本文介绍了一种基于扩展卡尔曼滤波的锂电池SOC估计方法,并通过仿真验证了该方法的有效性。EKF算法能够有效地克服电池模型的非线性特性,提高SOC估计精度,满足实际应用需求。

  二、仿真

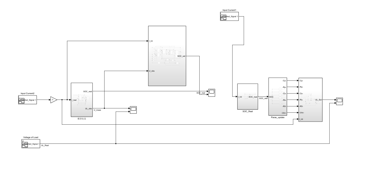
    基于此,笔者整理并设计了采用matlab function设计的锂电池SOC估计仿真模型,包含EKF估计算法通过观察SOC估计曲线,以及误差曲线可以发现SOC估计效果良好。

模型:

运行结果:

       希望对大家有所帮助,有兴趣的朋友,欢迎关注笔者主页或至龚重号:年轻的战场ssd,回复SOC估计EKF仿真模型。一起交流,学习进步!!!

http://www.dtcms.com/a/198512.html

相关文章:

  • 人工智能赋能产业升级:AI在智能制造、智慧城市等领域的应用实践
  • 原型链的详细解释及使用场景
  • C++23 新特性:使某些视图的多参数构造函数显式化(P2711R1)
  • 50天50个小项目 (Vue3 + Tailwindcss V4) ✨ | 页面布局 与 Vue Router 路由配置
  • linux下编写shell脚本一键编译源码
  • LG P9844 [ICPC 2021 Nanjing R] Paimon Segment Tree Solution
  • java集合相关的api-总结
  • ElasticSearch-集群
  • 如何用mockito+junit测试代码
  • 图像定制大一统?字节提出DreamO,支持人物生成、 ID保持、虚拟试穿、风格迁移等多项任务,有效解决多泛化性冲突。
  • 【网络】Wireshark练习3 analyse DNS||ICMP and response message
  • LLM笔记(八)Transformer学习
  • Java八股文——Java基础篇
  • GBS 8.0服装裁剪计划软件在线试用
  • mac下载mysql
  • 选择之困:如何挑选合适的 Python 环境与工具——以 Google Colaboratory 为例
  • Mlp-Mixer-BiGRU故障诊断的python代码合集
  • 2025抓包工具Reqable手机抓包HTTPS亲测简单好用-快速跑通
  • 互联网大厂Java面试:从Spring Boot到微服务架构的深度探讨
  • 协程:单线程并发开发的高效利器
  • 谷歌官网下载谷歌浏览器设置中文
  • 使用Redission来实现布隆过滤器
  • C++ asio网络编程(8)处理粘包问题
  • Ubuntu---omg又出bug了
  • Python_day29类的装饰器知识点回顾
  • 王树森推荐系统公开课 排序02:Multi-gate Mixture-of-Experts (MMoE)
  • oracle 资源管理器的使用
  • Java IO及Netty框架学习小结
  • 游戏服务器之聊天频道设计
  • YOLOv5目标构建与损失计算