蓝桥杯电子赛_E2PROM(AT24C02)
目录
一 前言
二 E2PROM的相关讲解
AT24C02的地址
PCF8591的地址
三 根据提供的iic写代码
相关可能会有疑问的地方:
1 三个入口参数,都有什么用?
2 为什么在写中,要用IIC_SendByte,在读中,要用IIC_RecByte?
main.c
1 要写全局变量
2 要在主函数中,写一下E2PROM的写函数
3 也要在调用时,再让单片机读AT24C02芯片上的内容
一 前言
这次讲的E2PROM和前面的PCF8591有着千丝万缕的联系,这次的E2PROM也是基于前面的文章中的IIC,所以,如果大家看不懂本章的内容,有可能是前一篇文章中的IIC不会,建议大家先学前一篇的PCF8591,再学本篇
E2PROM是一种存储技术,AT24C02是一个2K位串行CMOS E2PROM, 内部含有256个8位字节,CATALYST公司的先进CMOS技术实质上减少了器件的功耗。AT24C02有一个16字节页写缓冲器。该器件通过IIC总线接口进行操作,有一个专门的写保护功能。用于存储数据,掉电也不丢失数据。
AT24C02和EEPROM的关系?
AT24C02 是 EEPROM 的一种具体型号,EEPROM是一种技术,在这个技术之上,我们有了AT24C02这个芯片
二 E2PROM的相关讲解
E2PROM是具有存储功能,也就是说,如果给E2PROM提前写好数据并改变里面的内容,即使重新给板子上电,跟上一次操作的内容是保持一样的,并不会从最开始的显示。

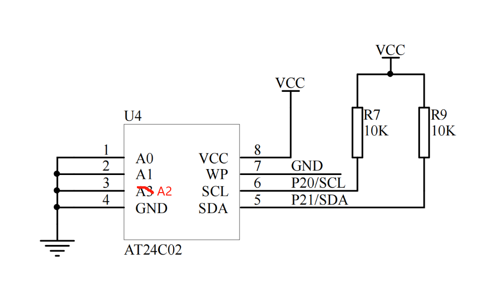
上面这个就是关于EEPROM的原理图,但是这上面的标错了,不是A3,是A2。这里真正决定着是否是EEPROM这个东西的,是A0~2这三位。还记得前面讲PCF8591的A0~2三位是什么吗?PCF8591也是接地的,跟AT24C02一样,也是三个零,那是如何告诉单片机选中的是谁呢?留个疑问,接下来解释一下。
AT24C02的地址

PCF8591的地址

现在我们看上面这两张图,八位构成的一个字节中,这两个东西的前四位不一样,如下表
| 地址前四位 | 代码中的体现(写的情况) | 代码中的体现(写的情况) | |
| PCF8591 | 1001 | 0x90 | 0x91 |
| E2PROM | 1010 | 0xA0 | 0xA1 |
以上便解释了如何告诉单片机是选中谁了。上面这些基础的知识便够我们在蓝桥杯的使用了,那么具体是如何运行E2PROM的,请根据继续学习这篇文章,后续的代码会进行具体的讲解。
三 根据官方提供的范例写代码
(1) IIC.c
下面的代码是比赛会提供的代码:
#include "STC15F2K60S2.H"
#include "intrins.h"
#include "iic.h"
void IIC_Delay(unsigned char i)
{
do{_nop_();}
while(i--);
}
//总线启动条件
void IIC_Start(void)
{
SDA = 1;
SCL = 1;
IIC_Delay(DELAY_TIME);
SDA = 0;
IIC_Delay(DELAY_TIME);
SCL = 0;
}
//总线停止条件
void IIC_Stop(void)
{
SDA = 0;
SCL = 1;
IIC_Delay(DELAY_TIME);
SDA = 1;
IIC_Delay(DELAY_TIME);
}
//发送应答
void IIC_SendAck(bit ackbit)
{
SCL = 0;
SDA = ackbit; // 0:应答,1:非应答
IIC_Delay(DELAY_TIME);
SCL = 1;
IIC_Delay(DELAY_TIME);
SCL = 0;
SDA = 1;
IIC_Delay(DELAY_TIME);
}
//等待应答
bit IIC_WaitAck(void)
{
bit ackbit;
SCL = 1;
IIC_Delay(DELAY_TIME);
ackbit = SDA;
SCL = 0;
IIC_Delay(DELAY_TIME);
return ackbit;
}
//通过I2C总线发送数据
void IIC_SendByte(unsigned char byt)
{
unsigned char i;
for(i=0; i<8; i++)
{
SCL = 0;
IIC_Delay(DELAY_TIME);
if(byt & 0x80) SDA = 1;
else SDA = 0;
IIC_Delay(DELAY_TIME);
SCL = 1;
byt <<= 1;
IIC_Delay(DELAY_TIME);
}
SCL = 0;
}
//从I2C总线上接收数据
unsigned char IIC_RecByte(void)
{
unsigned char i, da;
for(i=0; i<8; i++)
{
SCL = 1;
IIC_Delay(DELAY_TIME);
da <<= 1;
if(SDA) da |= 1;
SCL = 0;
IIC_Delay(DELAY_TIME);
}
return da;
}
我们需要在这个.c代码的下面添新的代码:
//E2PROM写
void EEPROM_Write(unsigned char *EEPROM_String,unsigned char addr,unsigned char num)
{
IIC_Start();
IIC_SendByte(0xa0);//选中EEPROM芯片
IIC_WaitAck();//
IIC_SendByte(addr);//写入地址
IIC_WaitAck();//等待应答
while(num--)
{
IIC_SendByte(*EEPROM_String++);
//将要写入的信息写入
IIC_WaitAck();//等待EEPROM反馈
IIC_Delay(200);
}
IIC_Stop();
}
//读EEPROM内容
void EEPROM_Read(unsigned char *EEPROM_String,unsigned char addr,unsigned char num)
{
IIC_Start();
IIC_SendByte(0xa0);//选中EEPROM芯片
IIC_WaitAck();
IIC_SendByte(addr);//写入要读取的数据地址
IIC_WaitAck();//等待应答
IIC_Start();
IIC_SendByte(0xa1);//选中EEPROM芯片,并且是读
IIC_WaitAck();
while(num--)
{
*EEPROM_String++ = IIC_RecByte();
if(num) IIC_SendAck(0);//发送应答
else IIC_SendAck(1);
}
IIC_Stop();
}
相关可能会有疑问的地方:
1 三个入口参数,都有什么用?
void EEPROM_Read(unsigned char *EEPROM_String,unsigned char addr,unsigned char num)
第一个参数:*EEPROM_String是要写的东西
第二个参数:addr,是对应的第几页,我们要将对应的数据写到第几页。而且这里要注意,一定要是8的倍数,或者是0
第三个参数:num,要写多少个数据
同时我们也要知道unsigned char是一个字节,unsigned int是两个字节,AT24C02这个二芯片有2k存储空间,可支持一次写入8页,每页能写八个数,也就是能写八个字节
2 为什么在写中,要用IIC_SendByte,在读中,要用IIC_RecByte?
写操作:主设备向从设备(AT24C02)发送数据。
读操作:主设备从从设备接收数据。
知道对应的代码是什么
IIC_SendByte(*EEPROM_String++);
*EEPROM_String++ = IIC_RecByte();
main.c
调用E2PROM的时候,有这么几个注意事项:
1 要写全局变量

2 要在主函数中,写一下E2PROM的写函数

3 也要在调用时,再让单片机读AT24C02芯片上的内容

这里的EEPROM_Read也就是,单片机读EEPROM_String_2这个字符串,同时从第0位,写入8个数据
当然,以上的知识较为基础,大家只有把这篇文章认真看完,才能进入到后续跟省赛相关的试题练习,大家不必着急,跟着该系列继续往后学即可~
