选型指南:电流检测芯片 TI INA139 VS FP137 详解 如何根据关键参数选择?
在电机驱动的项目应用上,为了防止过载和堵转等异常情况的发生,往往都会实时检测风扇电机的工作电流。这样可以更好的控制、掌握电机的运行状态,保障电机的正常运行。

客户有一个无人机电调电机模块项目,使用的是TI的物料,单个选型用INA 139。这是一颗耐压40V的物料,受国际形势和国产化驱动,想找国产料替换
客户要求可以做到到pin to pin替换,也可以对PCB板小作改动。但是需要性价比高,并且供货稳定。通过与客户的充分沟通,我们了解到客户项目的供电电压、驱动电流等情况,综合评估后给客户推荐台湾远翔的高边电流检测芯片FP137。

封装脚位图:

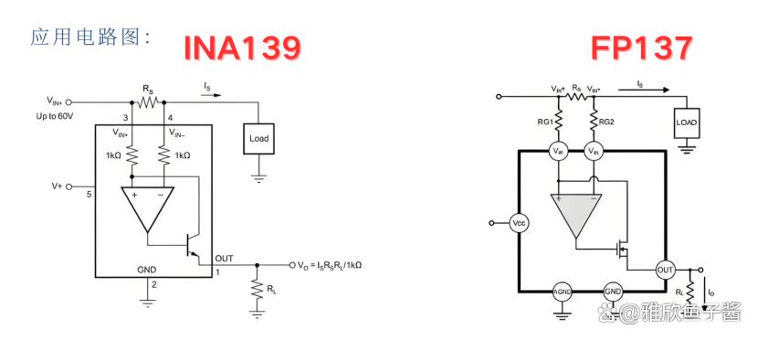
在封装上,INA139为5引脚SOT-23,FP137为6引脚SOT-23。PCB设计上布局兼容,仅需根据新增引脚调整少量走线,典型应用电路也基本一致 。

电流检测IC大家关注的重点主要就是耐压,增益,耗电流方面的表现。
FP137的耐压区间更高,并且可以独立电源也可以接在一起。INA139是单电阻设置增益,在1-100之间;而FP137是通过外部三个电阻去灵活设置任意增益值,增益值范围更广。INA139的耗电流更小,仅为60uA,在一些要求不高但是需要节能电源管理的产品上更有优势。
FP137采用SOT-23-6小体积封装可直接从高边取电,耐压达45V,无需给它单独配置供电芯片,从一定程度上也可节约产品空间和成本。
INA139-FP137参数参考表:

总的来说,FP137凭借它更高的耐压、灵活的增益和Pin-to-Pin设计,而且供货更稳定,价格更低。是替换INA139的可靠选择。欢迎有换料需求的朋友随时联系!

