F280049C学习笔记之X-BAR
参考附件
TMS320F280049C 学习笔记21 交叉开关 Crossbar (X-BAR)-爱代码爱编程

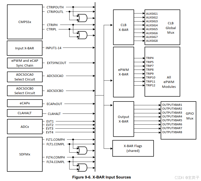
X-BAR 整体结构图。位于手册第1051页“Figure 9-1. Input X-BAR”

这是X-BAR部分的整体结构框图。通过INPUTxSELECT寄存器配置输入X-BAR。每个输入的可用IP目的地都能在图中找到。
X-BAR Flags图。位于手册第1060页“9.2.4 X-BAR Flags”

GPIO输出X-BAR从设备内部接收信号并将其输出到GPIO。图9-5显示了GPIO输出X-BAR的体系结构。表9-4中列出了可提供给GPIO的信号。X-BAR包含八个输出,每个输出将包含GPIO mux上的至少一个位置,表示为OUTPUTXBARx。X-BAR允许选择单个信号或最多32个信号的逻辑或。
输出X-BAR有八个输出,它们被路由到GPIO模块。图9-4表示单个输出的体系结构,但它与所有其他输出的体系结构相同。值得注意的是,输出X-BAR的架构(除了输出锁存)与ePWM X-BAR的架构相同。
Output X-BAR 的 Mux 配置表(表 9-4)。位于手册第1059页“Table 9-4. Output X-BAR Mux Configuration Table”

Output X-BAR 的 Mux 配置表(表 9-4)中列出的参数均为芯片内部外设或模块的特定信号,这些信号可通过 Output X-BAR 路由到 GPIO 输出。
使用心得:
把一个GPIO上的信号路由到另一个GPIO上
要通过 X-BAR 将一个 GPIO 的信号路由到另一个 GPIO,需结合Input X-BAR和Output X-BAR的协同配置。
原理:
-
源 GPIO 信号先通过Input X-BAR引入芯片内部,再通过Output X-BAR输出到目标 GPIO。
-
需配置 Input X-BAR 选择源 GPIO 作为输入,再配置 Output X-BAR 将该 Input X-BAR 信号路由到目标 GPIO。
注意:
要看手册中的X-BAR整体结构图,只有INPUTXBAR1~6能够接到Output X-BAR上面,所以配置Input X-BAR时要注意选择范围内的INPUTXBAR。
实际配置:
我这里尝试将GPIO37的电平状态同步到GPIO58上。
1,配置 Input X-BAR,将源 GPIO 信号引入内部。确保所选 INPUTx 支持路由到 Output X-BAR,Input X-BAR的 INPUT1~INPUT6 这些节点支持输出到 Output X-BAR。

2.,配置 Output X-BAR,将 Input X-BAR 信号输出到目标 GPIO。Output X-BAR 可以被 Input X-BAR 的 INPUT1~INPUT6连接,使能对应的 Mux,并确认 Output X-BAR 的 Mux 支持 INPUTx 作为输入,如 G1 的 Mux1 支持 INPUTXBAR1。

