模电基础和数电基础
1.模电基础
模电的主要硬件器件有二极管,三极管,MOS管,下面我们对这个器件进行了解来熟悉模电基础。二极管是一种电子元件,通常由两种不同类型的半导体材料组成,一般为P型半导体和N型半导体,因此称为PN结。其主要特性是在正向偏置下有低电阻,而在反向偏置下有很高的电阻。二极管的在电路中的主要功能有:整流器,保护电路,信号的调制和解调,开关,光电二极管,稳压器。二极管通常分为:整流二极管,稳压二极管,发光二极管,光电二极管。
三极管全称是“晶体三极管”,也被称作“晶体管”,是一种具有放大功能的半导体器件。通常指本征半导体三极管,即BJT管。它由三个掺杂不同的半导体层组成:发射极、基极和集电极。根据结构分类三极管分为:NPN型三极管PNP型三极管。三极管的3种工作状态分别是截止状态、放大状态、饱和状态。三极管的截止状态是当三极管的发射结反偏,集电结反偏时,三极管就会进入截止状态,该状态中三极管各电极的电流几乎为0,集电极和发射极互不相通。当三极管发射结正偏,集电结反偏,三极管就会进入放大状态,放大状态下,电流ic的大小受电流ib控制。当三极管发射结正偏,集电结正偏时,三极管工作在饱和状态。饱和状态下,集电极与发射极之间的电压降Uce很小,约0.1V左右,相当于开关的闭合。饱和状态下,集电极与发射极之间的电压降Uce很小,约0.1V左右,相当于开关的闭合。对于三极管的功能有:放大功能,开关功能。
MOSFET 金属-氧化物半导体场效应晶体管,简称金氧半场效晶体管。MOS管有三个引脚名称:G:gate 栅极;S:source 源极;D:drain 漏极。MOS管的分为:N 沟道耗尽型mos管,P 沟道耗尽型mos管,N 沟道增强型mos管,P 沟道增强型mos管。mos管的主要原理是能够控制源极和漏极之间的电压和电流。它的工作原理几乎就像一个开关,设备的功能基于 MOS 电容。MOS电容是MOS管的的主要部分。MOS管的应用有:数字电路,模拟电路,通信领域,控制领域,传感器,电源管理,车载电子。
2.数电基础
对于数字电路的基础我们从一些基础的数字器件方面进行了解学习。⻔电路是数字电子电路中的基本组成部分,用于处理逻辑运算。⻔电路接受一个或多个输入信号,根据特定的逻辑产生一个输出信号。常⻅的⻔类型包括与⻔、或⻔、非⻔、异或⻔等。与⻔: 只有当所有输入信号都为高电平时,与⻔才输出高电平。否则,输出低电平。 或⻔: 只要有一个输入信号为高电平,或⻔就输出高电平。只有当所有输入信号都为低电平时,输出低电平。非⻔: 只有一个输入信号,当输入信号为高电平时,输出低电平;当输入信号为低电平时,输出高电平。异或⻔: 当输入信号相同时,输出低电平;当输入信号不同时,输出高电平。
施密特触发器是一种电子电路,常用于数字逻辑电路和信号处理电路中。它具有两个不同的阈值电压级别,通过这些不同的电压级别,可以将输入信号转换为相对稳定的输出信号。常用于信号整形、波形锁定、数字电路中的干扰抑制以及判断输入信号的准确电平等应用。滞后可以定义为当输入高于某个选定阈值 (UTP) 时,输出为低。当输入低于阈值 (LTP) 时,输出为高;当输入介于两者之间时,输出保持其当前值。这种双重阈值动作称为滞后。施密特触发器主要用于将正弦波变为方波和消除数字电路中信号噪声的信号调理等应用。
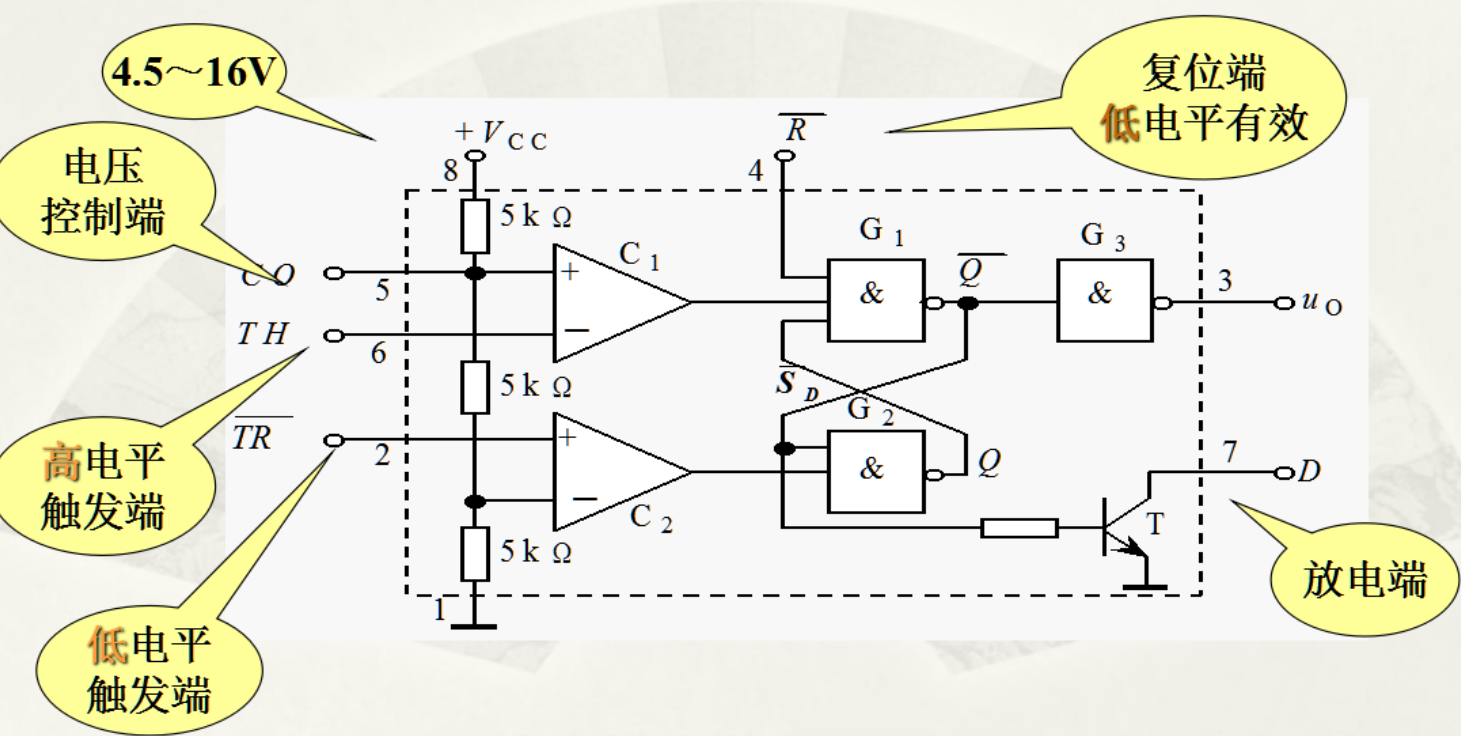
555定时器,全称“通用单双极型定时器”,意思是555的一个芯片中包含一个(单)用三极管做成的(双极型)定时器。它在外接一个电阻和一个电容后,能够精确地实现延时功能。利用这个功能我们可以实现很多种电路,最常用的有三种:无稳态电路,单稳态电路,双稳态电路。对于无稳态电路的一个例子多谐振荡器,原理图如下:

ADC和DAC转换器,ADC和 DAC都是用于模拟信号与数字信号之间的转换器,ADC的主要组成部分是模拟信号采样模块、模拟信号处理模块、模数转换模块和数字信号处理模块。模拟信号采样模块,负责采集模拟信号。模拟信号处理模块,负责对采集的模拟信号进行滤波、放大等处理。模数转换模块,负责将模拟信号转换为数字信号。数字信号处理模块,负责对数字信号进行处理,如滤波、放大、数字信号处理算法等。ADC包括采样、量化和编码三个步骤。ADC转换的主要参数有:分辨率,量化误差,转换速率,转换量程,便宜误差,满刻度误差,线性度。DAC的主要组成部分是数字信号处理模块、数字模数转换模块、数字信号输出模块和模拟信号处理模块。数字信号处理模块,负责对输入的数字信号进行处理,如滤波、放大、数字信号处理算法等。数字信号输出模块,负责将数字信号输出到数字模数转换模块。数字模数转换模块,负责将数字信号转换为模拟信号。模拟信号处理模块,负责对输出的模拟信号进行滤波、放大等处理。DAC的步骤和ADC的步骤一样。DAC的参数主要有:分辨率,转化量程,建立时间,转换精度。
