Stm32江科大入门教程--各章节详细笔记---查阅传送门
1.学习的江科大的知识总结,前半部分是引用阿齐Archie的,后面是自己一个个做的
注意:本文章仅仅自己为了日后方便回忆总结的,不做任何收益处理
各章节传送门:
| 1 | 1.STM32简介、系统介绍、软件安装 |
| 2 | 2.基于标准库(库函数)新建工程 |
| 3 | 3.GPIO结构、GPIO输出 |
| 4 | 4.示例程序(LED闪烁&LED流水灯&蜂鸣器) |
| 5 | 5.GPIO输入、库函数必备C语言知识 |
| 6 | 6.示例程序(按键控制LED&光敏传感器控制蜂鸣器) |
| 7 | 7.OLED简介、OLED电路、OLED驱动函数 |
| 8 | 8.示例程序(OLED驱动函数)、keil的调试模式 |
| 9 | 9.中断系统、EXTI外部中断 |
| 10 | 10.EXTI中断示例程序(对射式红外传感器&旋转编码器计次) |
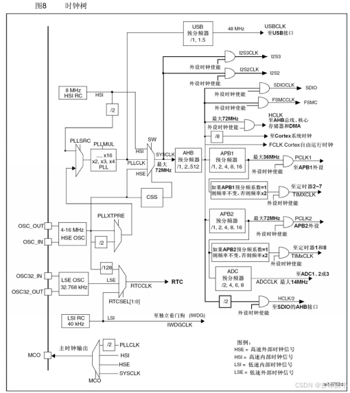
| 11 | 11.TIM定时中断和时钟树 |
| 12 | 12.示例程序(定时器定时中断&定时器外部时钟) |
| 13 | 13.TIM输出比较 |
| 14 | 14.TIM输出比较示例程序(PWM驱动LED呼吸灯&PWM驱动舵机&PWM驱动直流电机) |
| 15 | 15.TIM输入捕获 |
| 16 | 16.PWM输入捕获示例程序(输入捕获模式测频率&PWMI模式测频率和占空比) |
| 17 | 17.TIM编码器接口 |
| 18 | 18.示例程序(编码器接口测速) |
| 19 | 19.ADC模数转换器知识点+AD单通道&AD多通道应用程序示例 |
| 20 | 20.AD单通道&AD多通道应用程序示例 |
| 21 | 21.DMA直接存储器存取 |
| 22 | 22.DMA数据转运和DMA&AD多通道 |
| 23 | 23.USART通信协议 |
| 24 | 24.USART串口外设 |
| 25 | 25.USART串口外设的简单发送和接收 |
| 26 | 26.串口数据包 |
| 27 | 27.串口收发HEX数据包和文本数据包 |
| 28 | 28.使用FlyMCU与ST-Link Utility下载程序 |
| 29 | 29.I2C通信协议 |
| 30 | 30.MPU6050介绍 |
| 31 | 31.软件I2C读取MPU6050 |
| 32 | 32.I2C通信的外设 |
| 33 | 33.硬件I2C代码 |
| 34 | 34.SPI协议 |
| 35 | 35.W25Q64简介 |
| 36 | 36.软件SPI读取W25Q64 |
| 37 | 37.SPI通信外设 |
| 38 | 38.硬件SPI读取W25Q64 |
| 39 | 39.Unix时间戳 |
| 40 | 40.BKP备份寄存器和RTC实时时钟 |
| 41 | 41.读写备份寄存器和RTC实时时钟 |
| 42 | 42.PWR电源控制 |
| 43 | 43.PWR实验-修改主频&睡眠模式&停止模式&待机模式 |
| 44 | 44.WDG看门狗 |
| 45 | 45.独立看门狗和窗口看门狗代码 |
| 46 | 46.芯片内部的Flash闪存 |
| 47 | 47.读写内部FLASH与读取芯片ID |
| ------------- | -------------------------------------------------------------------------------- |
| 项目一、智能家居安防系统 | |
2.便捷图一览


